logo

Crowdly

Browser

Add to Chrome

Električni krugovi 1

Looking for Električni krugovi 1 test answers and solutions? Browse our comprehensive collection of verified answers for Električni krugovi 1 at c2.etf.unsa.ba.

Get instant access to accurate answers and detailed explanations for your course questions. Our community-driven platform helps students succeed!

Transpozicija matrice u MATLABu vrši se operatorom:

0%
0%
0%
0%
View this question

Odredjivanje matrice admitansi grana Yg po matričnoj metodi napona čvorova u MATLABu:

0%
0%
0%
0%
View this question

Relacija za odredjivanje vektora napona grana V po matričnoj metodi konturnih struja u matlabu je: 

0%
0%
0%
0%
View this question

Relacija za odredjivanje vektora napona petlji Ep je:

0%
0%
0%
0%
View this question

Nakon analize električne mreže sa 5 fundamentalnih kontura i 11 grana, korištenjem metode konturnih struja, vektor napona kontura je:

Odrediti vrijednost fazora napona četvrte konture:

0%
0%
0%
0%
View this question

Nakon analize električne mreže sa 7 čvorova i 11 grana, korištenjem metode napona čvorova (čvor 4 referentni čvor) dobivena je matrica admitansi čvorova:

Odrediti vrijednost admitanse grana vezanih za čvor 5.

0%
0%
0%
0%
View this question

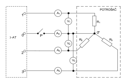
Zaokruži tačne tvrdnje u slučaju zatvaranja prekidača P na slici:

View this question

Ako u spoju

u trokut trofaznog potrošača dođe do prekida otpornika R

12, koja će se promjena desiti sa linijskom strujom I2?

0%
0%
0%
View this question

Zaokruži tačne tvrdnje:

0%
0%
0%
0%
View this question

Koji je

osnovni razlog zbog kojeg se ukupna impedansa RC kola ne može izmjeriti običnim

ommetrom?

View this question

Want instant access to all verified answers on c2.etf.unsa.ba?

Get Unlimited Answers To Exam Questions - Install Crowdly Extension Now!

Browser

Add to Chrome