logo

Crowdly

Browser

Add to Chrome

Osnove telekomunikacija

Looking for Osnove telekomunikacija test answers and solutions? Browse our comprehensive collection of verified answers for Osnove telekomunikacija at c2.etf.unsa.ba.

Get instant access to accurate answers and detailed explanations for your course questions. Our community-driven platform helps students succeed!

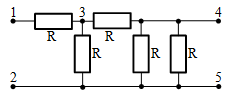
Izračunati ekvivalentnu otpornost kruga sa slike.

View this question
Veličina u izrazima za aktivnu, odnosno reaktivnu snagu, , odnosno predstavlja:
View this question
Objasniti što je to električni kapacitet.
View this question
Fazni pomak napona na krajevima serijske RC veze i struje koja protječe kroz tu vezu u krugu izmjenične struje je:

0%
0%
0%
View this question
Fizička velična ili parametar koji kvantitativno karakterizira sposobnost vodiča da se suprotstavlja protjecanju električne struje ili koji kvantitativno karakterizira pretvorbu električne energije u toplinsku je:

0%
0%
100%
0%
View this question

Want instant access to all verified answers on c2.etf.unsa.ba?

Get Unlimited Answers To Exam Questions - Install Crowdly Extension Now!

Browser

Add to Chrome