logo

Crowdly

Browser

Add to Chrome

06-IIR-L-A3-S1: Tehnici de proiectare asistată de calculator 1 (Seria AB - 2025)

Looking for 06-IIR-L-A3-S1: Tehnici de proiectare asistată de calculator 1 (Seria AB - 2025) test answers and solutions? Browse our comprehensive collection of verified answers for 06-IIR-L-A3-S1: Tehnici de proiectare asistată de calculator 1 (Seria AB - 2025) at curs.upb.ro.

Get instant access to accurate answers and detailed explanations for your course questions. Our community-driven platform helps students succeed!

Instrumentul Centerline se utilizează la definirea axei de rotație a suprafețelor de revoluție. 

0%
0%
View this question

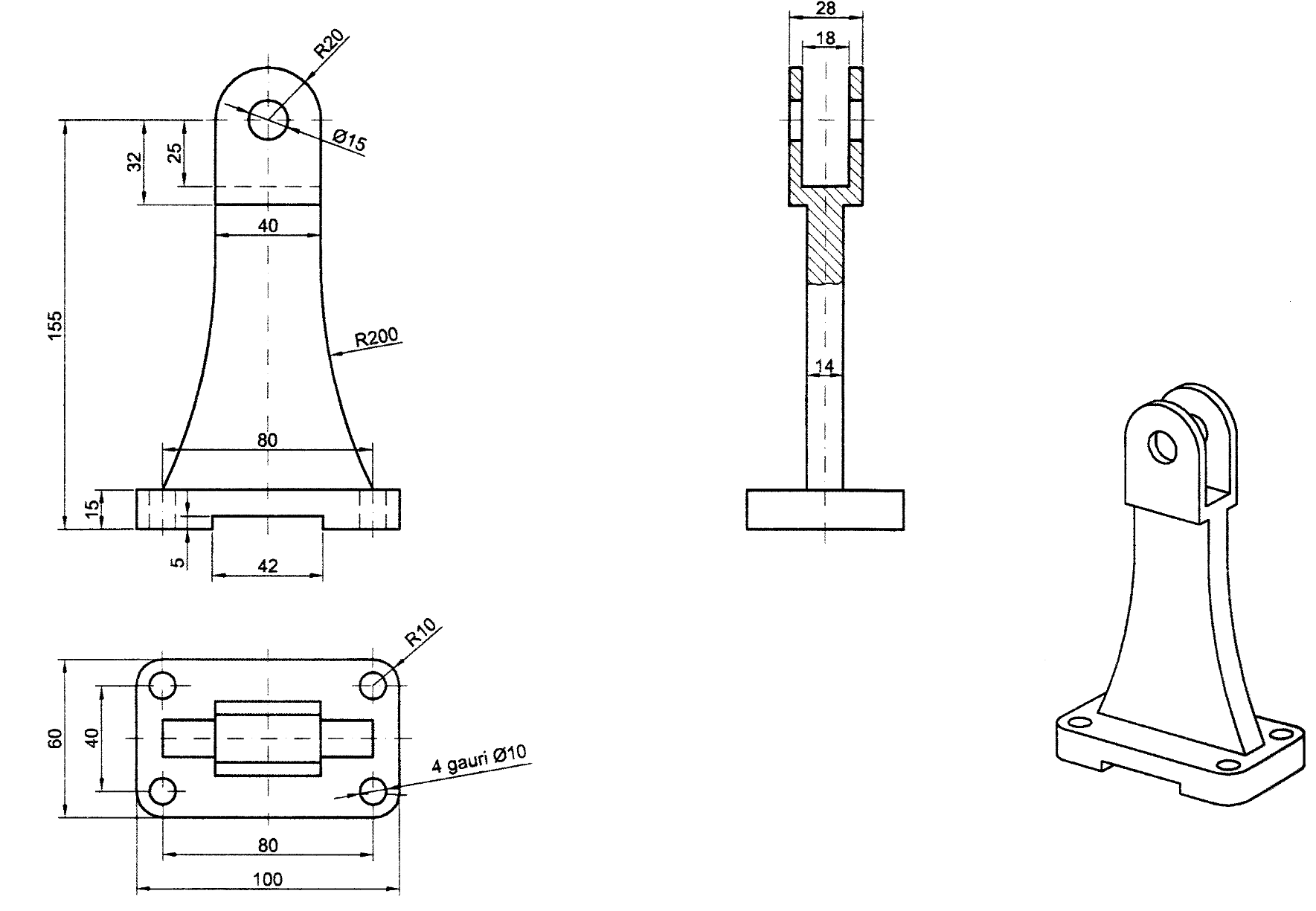
Ce principii de proiectare se aplică în cazul piesei din imaginea de mai jos:

0%
0%
0%
0%
0%
View this question

Instrumentele pentru generarea volumelor se găsesc în meniul:

0%
0%
0%
0%
0%
View this question

Zona din interfața software-ului SolidWorks ce reprezinta secvența cronologică a operațiilor efectuate se numeste:

View this question

Pentru a constrânge complet o schiță, se poate utiliza instrumentul:

View this question

Materialul unei piese se definește din meniul Apperance, Scenes, Decals

0%
100%
View this question

In figura de mai jos este reprezentată operația:

View this question

La modelarea pieselor din figurile de mai jos (vezi curs 3), se folosesc două metode diferite de multiplicare: Pattern Seed Only și Sketch Driven Pattern. Indicați afirmațiile false:

 

0%
0%
0%
0%
0%
View this question

Pentru a genera un volum, schița poate să îndeplinească următoarele condiții:

View this question

Planurile de lucru implicite în software-ul SolidWorks sunt:

0%
0%
0%
0%
0%
View this question

Want instant access to all verified answers on curs.upb.ro?

Get Unlimited Answers To Exam Questions - Install Crowdly Extension Now!

Browser

Add to Chrome