logo

Crowdly

Browser

Add to Chrome

04-ETTI-L-A3-S1: Instrumentaţie electronică de măsură (Seria G - 2025)

Looking for 04-ETTI-L-A3-S1: Instrumentaţie electronică de măsură (Seria G - 2025) test answers and solutions? Browse our comprehensive collection of verified answers for 04-ETTI-L-A3-S1: Instrumentaţie electronică de măsură (Seria G - 2025) at curs.upb.ro.

Get instant access to accurate answers and detailed explanations for your course questions. Our community-driven platform helps students succeed!

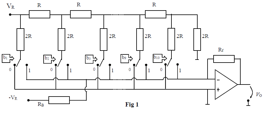
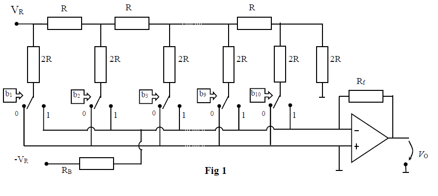
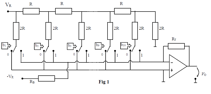
We consider the 8 bits bipolar DAC similar to that from fig 1. We know  =12.8 V  and    = 15 k. Evaluate the conversion relationship.

 Quiz:

Determine   value [ k ] to have a DAC resolution   = 10 mV

Bipolar DAC_R2R_v01 for IEM middle test nov2020

View this question

Quiz:

Considering the switching time   = 400 ns and  OA Slew Rate  SR = 8 kV/ms,  determine the maximum magnitude  , [V],  of the sine wave signal with frequency   =10  x100 kHz , signal that can be recovered from its samples, without over-slope distortions (the quantization noise is permitted only). It is used the 8 bit number DAC from figure, with resolution   = 10 mV.

R-2R ladder DAC

View this question

What types of DAC error can be  minimized by a development engineer who uses a DAC (integrated circuit) in his project  ? 

View this question

What is correct about single slope ADC? (The answer that best suits the question.)

View this question

What is correct about sigma - delta ADC  ( ADC)? (The answer that best suits the question.)

0%
0%
0%
0%
0%
View this question

A bipolar ADC of 9 bits has Vref = 7.68 V and conversion time   = 1000 ns.  Evaluate the maximum SNR (signal to noise ratio in dB)  due quantization process of the analog input signal. We suppose recovering process for the signal, with ideal LPF filter ) :

with values:    = 2 V;  = 0.5 ;  = 500 kHz  ;  = 100 kHz        

Write the result in dB. 

View this question

   Quiz:

Suppose the relative errors  =20  and    =20 , Evaluate the equivalent number of bits for the DAC. (the equivalent resolution bigger than error). In figure, the number of input digital wires is 8; 

The answer has to be an integer number!

 

R-2R ladder DAC 

View this question

With 8 bits, bipolar ADC  (rounding quantization), having reference voltage VREF = 15.36 V,  we perform ADC conversion of UIN = -2770 mV. Determine the binary number from ADC output.

The result must be put in the form: b7b6b5b4b3b2b1b0, where b0 is LSB , and b7 is MSB. 

Obs:  if leading bits are zeros, you have not to write them ( you should  write the number with the leading bit equal to one, even the number appears to be written on smaller number of bits)

Example 1: if the result is b7=1  b6=1, b5=1, b4=1, b3=1,  b2=0,  b1=0,  b0=1

the result must be filled in the following form: 11111001

Example 2: if the result is b7=0 b6=0, b5=0 b4=1, b3=1,  b2=0,  b1=0,  b0=1 you have to fill the b4b3b2b1b0 only

the result must be filled in the following form: 11001

View this question

Want instant access to all verified answers on curs.upb.ro?

Get Unlimited Answers To Exam Questions - Install Crowdly Extension Now!

Browser

Add to Chrome