logo

Crowdly

Browser

Add to Chrome

25_HES-SO-VS_IP3.12_Basic Electronic Circuits

Looking for 25_HES-SO-VS_IP3.12_Basic Electronic Circuits test answers and solutions? Browse our comprehensive collection of verified answers for 25_HES-SO-VS_IP3.12_Basic Electronic Circuits at cyberlearn.hes-so.ch.

Get instant access to accurate answers and detailed explanations for your course questions. Our community-driven platform helps students succeed!

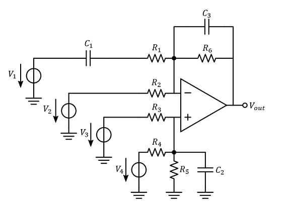
Calculez la contribution de

à tension

de décalage de sortie, valeur absolue en mV

View this question

Calculez  en

View this question

Calculez  en

View this question

Pour ce ampli-OP non ideal avec les characteristiques suivants :

Calculez B

View this question

xdbase=3,5; dexp=8; abase=5,9; aexp=7; bbase=2,3; bexp=4; c=4;x

Quesl est la fréquance de resonance en kHz? Si il n'y a pas de resonance, reponez 0.

Wie gross ist die Resonanzfrequenz in kHz? Wenn keine Resonanz vorliegt, antworten Sie mit 0.

View this question

xdbase=1,7; dexp=14; abase=2,1; aexp=11; bbase=9,1; bexp=4; c=5;x

Quesl est la fréquance de resonance en kHz? Si il n'y a pas de resonance, reponez 0.

Wie gross ist die Resonanzfrequenz in kHz? Wenn keine Resonanz vorliegt, antworten Sie mit 0.

View this question

Si la fonction de transfert peut être séparée en deux fonctions de premier ordre, quelle est la fréquence en kHz du pôle de fréquence supérieur ? Si la fonction ne peut pas être séparée, répondez zéro.

Wenn die Übertragungsfunktion in zwei Funktionen erster Ordnung zerlegt werden kann, wie groß ist die Frequenz in kHz des oberen Frequenzpols? Wenn die Funktion nicht getrennt werden kann, antworten Sie mit Null.

View this question
Quel est le gain au résonance, en dB? Si il n'y a pas de resonance, repondez 0.

Wie groß ist die Verstärkung bei Resonanz in dB? Wenn keine Resonanz vorliegt, antworten Sie mit 0.

View this question

Si la fonction de transfert peut être séparée en deux fonctions de premier ordre, quelle est la fréquence en kHz du pôle de fréquence inférieure ? Si la fonction ne peut pas être séparée, répondez zéro.

Wenn die Übertragungsfunktion in zwei Funktionen erster Ordnung zerlegt werden kann, wie groß ist die Frequenz  in kHz des Pols mit der niedrigeren Frequenz? Wenn die Funktion nicht getrennt werden kann, antworten Sie mit Null.

View this question

Quel est le gain au fréquence naturelle, , en dB?

Wie groß ist die Verstärkung bei der Eigenfrequenz in dB?

View this question

Want instant access to all verified answers on cyberlearn.hes-so.ch?

Get Unlimited Answers To Exam Questions - Install Crowdly Extension Now!

Browser

Add to Chrome