logo

Crowdly

Browser

Add to Chrome

Твердотільна електроніка

Looking for Твердотільна електроніка test answers and solutions? Browse our comprehensive collection of verified answers for Твердотільна електроніка at dl.nure.ua.

Get instant access to accurate answers and detailed explanations for your course questions. Our community-driven platform helps students succeed!

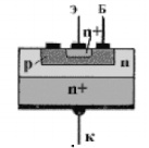
Чи вірно, що на рисунку зображено p-n-p транзистор

0%
100%
View this question

Чи вірно твердження, що на рисунку зображено n-p-n тразистор?

100%
0%
View this question

БТ включено в схему з загальною базою.

Режим, коли на емітер подається пряме, а на колектор - зворотне зміщення, наивається ...

View this question

Як зміщені р-n переходи біполярного транзистора, якщо він знаходиться у режимі відсічки

View this question

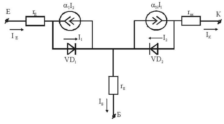
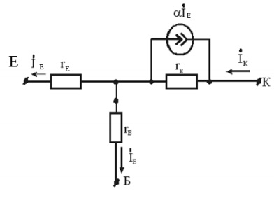
Еквівалентна схема біполярного транзистора Еберса – Мола представлена на рисунку

View this question

Для аналізу яких режимів роботи транзистора придатна нелінійна модель Еберса-Молла?

View this question

В залежності від механізму перносу неосновних носіїв через базу розрізняють транзистори: 

View this question

Визначить правильну вхідну ВАХ біполярного транзистора у схемі із загальною базою серед запропонованих ВАХ

0%
0%
0%
View this question

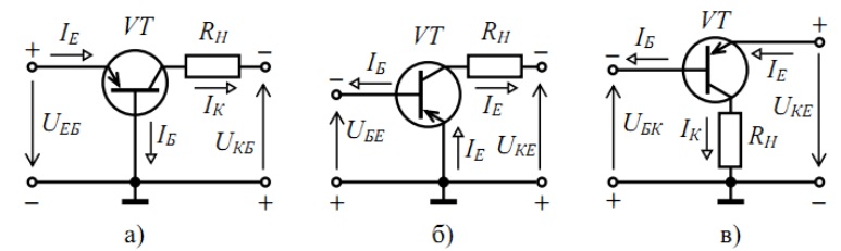
На якій зі схем представлено включення транзистора зі спільним емітером?

View this question

Визначте відповідність між структурою та назвою транзистора

View this question

Want instant access to all verified answers on dl.nure.ua?

Get Unlimited Answers To Exam Questions - Install Crowdly Extension Now!

Browser

Add to Chrome