logo

Crowdly

Browser

Add to Chrome

Технічні засоби автоматизації

Looking for Технічні засоби автоматизації test answers and solutions? Browse our comprehensive collection of verified answers for Технічні засоби автоматизації at dl.stpp.sumy.ua.

Get instant access to accurate answers and detailed explanations for your course questions. Our community-driven platform helps students succeed!

Який тип оптичного датчика зображено на рисунку?

0%
0%
0%
0%
0%
View this question

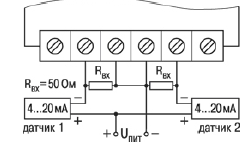
Чи відрізняються схеми підключення датчиків з струмовим виходом та виходом по напрузі?

0%
0%
View this question

На якому з рисунків зображено схему підключення датчика з вихідним сигналом 0 ... 10 В з зовнішнім джерелом живлення?

0%
0%
0%
0%
View this question

На якому рисунку зображено підключення термопари до регулятора?

0%
0%
0%
0%
0%
View this question

На якому єтапі розвитку ТЗА перебуває промисловість на сьогодняшній день?

0%
100%
0%
0%
0%
View this question

Чи є різниця між цими двома виконавчими механізмами?

View this question

Що це за пристрій?

View this question

Електродвигунний виконачий механізм це...

0%
0%
0%
View this question

Чим відрізняються дані виконавчі механізми?

View this question

Статор якого двигуна зображено?

0%
0%
0%
0%
View this question

Want instant access to all verified answers on dl.stpp.sumy.ua?

Get Unlimited Answers To Exam Questions - Install Crowdly Extension Now!

Browser

Add to Chrome