logo

Crowdly

Browser

Add to Chrome

2024/2025-1,2-денна-Нарисна геометрія та інженерна графіка-Бабенко А.О

Looking for 2024/2025-1,2-денна-Нарисна геометрія та інженерна графіка-Бабенко А.О test answers and solutions? Browse our comprehensive collection of verified answers for 2024/2025-1,2-денна-Нарисна геометрія та інженерна графіка-Бабенко А.О at do.kart.edu.ua.

Get instant access to accurate answers and detailed explanations for your course questions. Our community-driven platform helps students succeed!

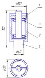
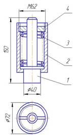
Скільки видів деталі 4 необхідно накреслити на робочому кресленні?

0%
0%
0%
0%
View this question
Вказати номера позицій деталей які мають різьбу?

0%
0%
50%
0%
View this question
На якому етапі виконання ескізу, вибирають формат ескізу й оформлюють його відповідно до ГОСТу 2.301-68 та ГОСТу 2.104-68?
0%
50%
0%
50%
View this question
Вісь симетрії, якої деталі, на головному виді розташовують горизонтально?

0%
0%
0%
0%
View this question
Вказати під яким номером розташована фаска?

0%
0%
0%
0%
View this question
Конструкторський документ, який визначає склад складальної одиниці, комплексу та комплекту називають…
0%
0%
0%
0%
View this question
В який розділ специфікації вносять деталі, які входять до складу виробу і на які виконано креслення?
0%
0%
0%
0%
View this question
До якого виду конструкторського документу відносять складальне креслення?
0%
0%
0%
0%
View this question
Як називають розріз будівлі горизонтальною площиною на рівні віконних прорізів або на 1/3 висоти поверху?
0%
0%
0%
0%
View this question
Якими лініями зображують координаційні осі?
0%
0%
0%
0%
View this question

Want instant access to all verified answers on do.kart.edu.ua?

Get Unlimited Answers To Exam Questions - Install Crowdly Extension Now!

Browser

Add to Chrome