logo

Crowdly

Browser

Add to Chrome

Електронне та електричне обладнання автомобілів і його технічна експлуатація

Looking for Електронне та електричне обладнання автомобілів і його технічна експлуатація test answers and solutions? Browse our comprehensive collection of verified answers for Електронне та електричне обладнання автомобілів і його технічна експлуатація at do.nmu.org.ua.

Get instant access to accurate answers and detailed explanations for your course questions. Our community-driven platform helps students succeed!

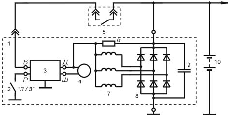
10. Коли напруга генератора змінного струму мала чи дорівнює нулю, перевіряють справність генератора і регулятора напруги шляхом замикання затискачів генератора.
33%
33%
33%
0%
View this question
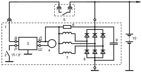
9. З яким регулятором напруги працює генератор 37.3701?
67%
33%
0%
0%
View this question
8. Напруга, що регулюється на генераторі регулятором напруги РР127...
33%
0%
67%
0%
View this question

7. З яким виводом у регуляторі напруги Я120 з’єднаний резистор сезонного регулювання Rпр?
0%
0%
0%
0%
View this question
4. Генераторна установка Г286В з інтегральним регулятором напруги Я112-А призначена для живлення споживачів на номінальну напругу...
0%
0%
100%
0%
View this question
5. Генераторна установка Г273В з інтегральним регулятором напруги Я120 призначена для живлення споживачів на номінальну напругу...
0%
0%
0%
0%
View this question

6. Які виводи регулятора напруги Я120 з’єднані з обмоткою збудження генератора?
0%
100%
0%
0%
View this question

Want instant access to all verified answers on do.nmu.org.ua?

Get Unlimited Answers To Exam Questions - Install Crowdly Extension Now!

Browser

Add to Chrome