logo

Crowdly

Browser

Add to Chrome

Procesos en instalaciones de infraestructuras comunes de telecomunicaciones

Looking for Procesos en instalaciones de infraestructuras comunes de telecomunicaciones test answers and solutions? Browse our comprehensive collection of verified answers for Procesos en instalaciones de infraestructuras comunes de telecomunicaciones at educacionadistancia.juntadeandalucia.es.

Get instant access to accurate answers and detailed explanations for your course questions. Our community-driven platform helps students succeed!

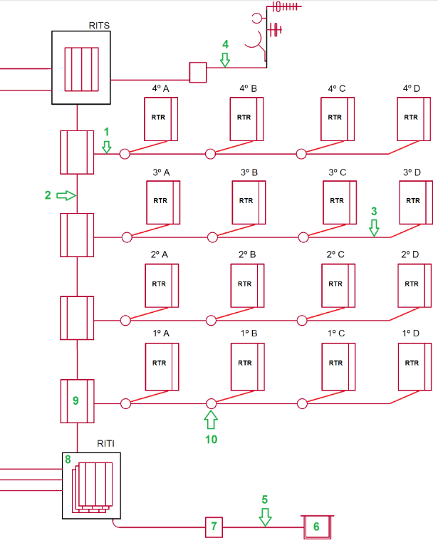
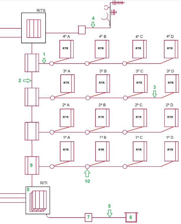
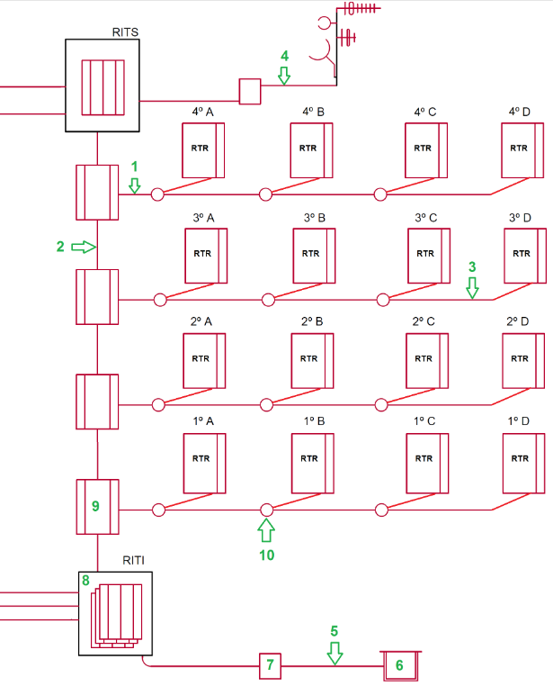
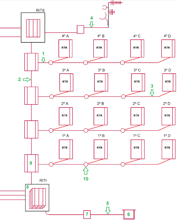
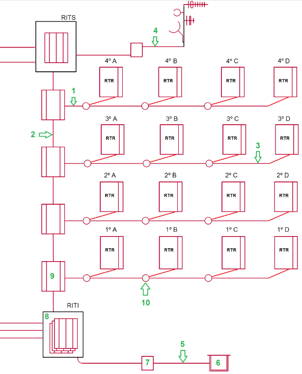
El registro de enlace "7" (tipo armario) de la figura, debe tener unas dimensiones mínimas en mm (Al X Ancho X Profundidad) de:

View this question

El registro de paso "10" de la figura, debe tener unas dimensiones mínimas en mm (Ancho X Alto X Profundidad) de:

0%
0%
0%
0%
View this question

En el tramo "3" de la figura, la canalización debe ser:

View this question

El RITI "8" de la figura, debe tener unas dimensiones mínimas en mm (Altura X Ancho X Profundidad) de:

0%
0%
0%
0%
View this question

La arqueta de entrada "6" de la figura, debe tener unas dimensiones mínimas en mm (L X Ancho X Profundidad) de:

0%
0%
0%
0%
View this question

En el tramo "4" de la figura, la canalización debe ser:

View this question

En el tramo "1" de la figura, la canalización debe ser:

View this question

En el tramo "5" de la figura, la canalización debe ser:

View this question

El registro "9" de la figura, debe tener unas dimensiones mínimas en mm (Altura X Ancho X Profundidad) de:

0%
0%
0%
0%
View this question

En el tramo "2" de la figura, la canalización debe ser:

View this question

Want instant access to all verified answers on educacionadistancia.juntadeandalucia.es?

Get Unlimited Answers To Exam Questions - Install Crowdly Extension Now!

Browser

Add to Chrome