logo

Crowdly

Browser

Add to Chrome

Электрические машины_13.03.02 Электроэнергетика и электротехника

Looking for Электрические машины_13.03.02 Электроэнергетика и электротехника test answers and solutions? Browse our comprehensive collection of verified answers for Электрические машины_13.03.02 Электроэнергетика и электротехника at educon2.tyuiu.ru.

Get instant access to accurate answers and detailed explanations for your course questions. Our community-driven platform helps students succeed!

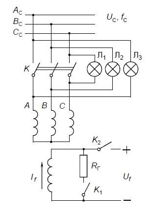
На рисунке представлена схема процеса...

 

View this question

На рисунке представлена схема процесса...

 

View this question

Выберите условные обозначения синхронных машин

View this question

Напишите название машины, для которой представлены данные характеристики

View this question

Найдите соответствие характеристик электрическим машинам:

View this question

Want instant access to all verified answers on educon2.tyuiu.ru?

Get Unlimited Answers To Exam Questions - Install Crowdly Extension Now!

Browser

Add to Chrome