logo

Crowdly

Browser

Add to Chrome

TE302 - Systèmes Numériques

Looking for TE302 - Systèmes Numériques test answers and solutions? Browse our comprehensive collection of verified answers for TE302 - Systèmes Numériques at efreussite.fr.

Get instant access to accurate answers and detailed explanations for your course questions. Our community-driven platform helps students succeed!

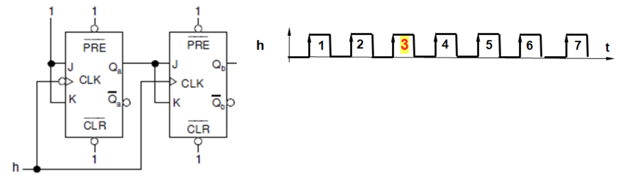
On considère le circuit de la figure ci-dessous où l’état initial des bascules est donné par .

Déterminer les sorties et au 3ème front montant de l'horloge.

View this question

Le temps de propagation d’une bascule JK synchrone correspond :

0%
0%
0%
0%
0%
View this question

Les connexions PRESET et CLEAR du circuit ci-dessous sont :

Schéma

0%
0%
0%
0%
0%
View this question

Soit la bascule JK ci-dessous avec des entrées PRESET et CLEAR inactives:

Schéma 1

L'état initial B0 de la sortie est: Q =1= B0

Schéma 2

D'après les entrées J et K ci-dessus : 

Entrer les états de la sortie Q : B0 B1 B2 B3 (exemple 1101)

View this question

Schéma

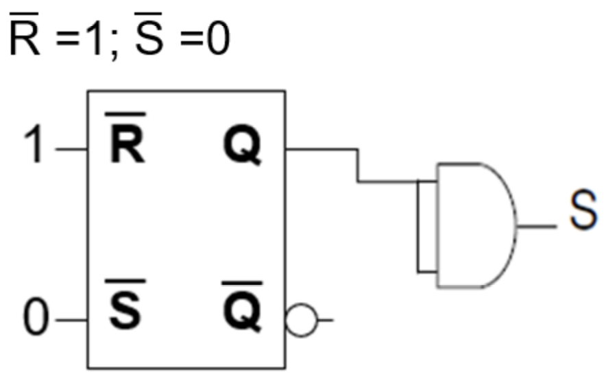
Quel est l'état présent à la sortie S de la porte ET ?

Entrer une valeur binaire :

View this question

D’après les chronogrammes ci-dessous, représente :

Chronogrammes

0%
0%
0%
0%
0%
View this question

Question

View this question

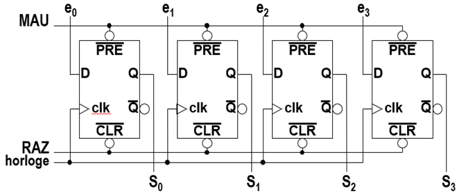
Soit le registre ci-dessous avec ei les entrées de données tel que:

Question

On appelle ce registre :

0%
0%
0%
0%
0%
View this question

Question

View this question

Soit le registre ci-dessous avec les entrées et les sorties :

Question

On appelle ce registre :

0%
0%
100%
0%
0%
View this question

Want instant access to all verified answers on efreussite.fr?

Get Unlimited Answers To Exam Questions - Install Crowdly Extension Now!

Browser

Add to Chrome