logo

Crowdly

Browser

Add to Chrome

Systemy wbudowane Lab Inf 24/25L

Looking for Systemy wbudowane Lab Inf 24/25L test answers and solutions? Browse our comprehensive collection of verified answers for Systemy wbudowane Lab Inf 24/25L at el.us.edu.pl.

Get instant access to accurate answers and detailed explanations for your course questions. Our community-driven platform helps students succeed!

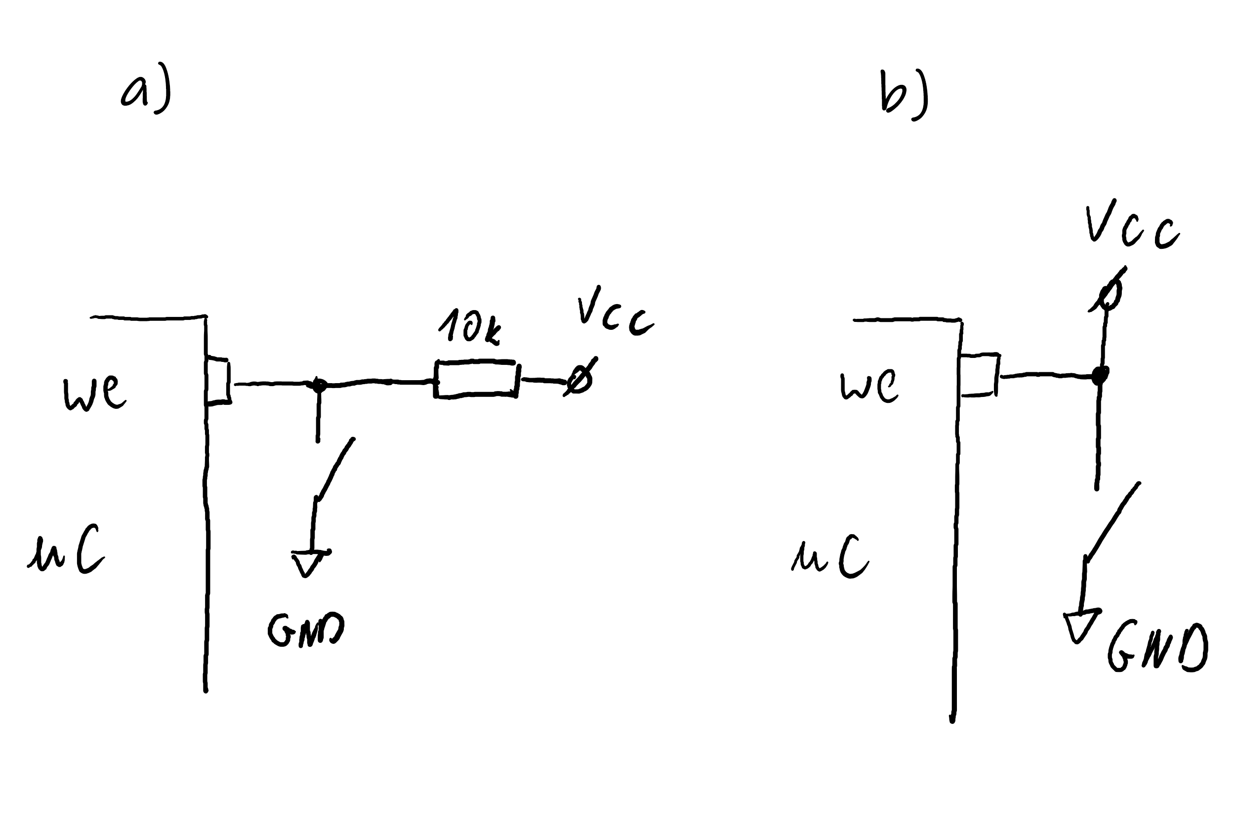
Który

z rysunków przedstawia nieprawidłową konfigurację elementu stykowego

dołączonego do wejścia binarnego uC?

0%
0%
100%
0%
View this question

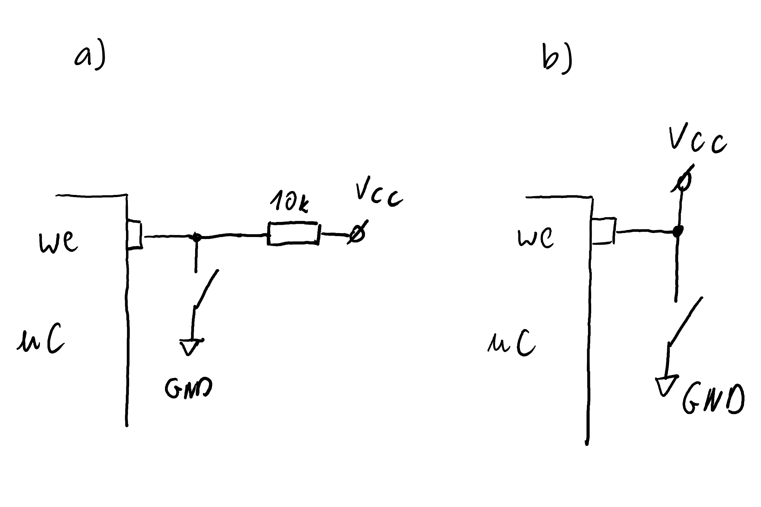
Który

z rysunków przedstawia nieprawidłową konfigurację elementu stykowego

dołączonego do wejścia binarnego uC?

0%
0%
100%
0%
View this question

Zaprezentowany

na rys sensor optoelektroniczny:

0%
0%
0%
0%
View this question

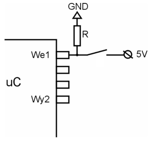
Sprzętowa konfiguracja elementu stykowego z rysunku odpowiada:

100%
100%
0%
0%
View this question

Przerwanie zewnętrzne

0%
100%
0%
100%
View this question

Pulsein

0%
0%
100%
50%
View this question

Sensor

ultradźwiękowy

0%
0%
0%
0%
View this question

Sprzętowa konfiguracja elementu stykowego z rysunku odpowiada:

0%
0%
0%
0%
View this question

PWM to:

100%
0%
100%
0%
View this question

Wyświetlacz HD44780 (16x2)

67%
0%
33%
100%
View this question

Want instant access to all verified answers on el.us.edu.pl?

Get Unlimited Answers To Exam Questions - Install Crowdly Extension Now!

Browser

Add to Chrome