logo

Crowdly

Browser

Add to Chrome

Аналог, тоон холбооны систем

Looking for Аналог, тоон холбооны систем test answers and solutions? Browse our comprehensive collection of verified answers for Аналог, тоон холбооны систем at elearn.sict.edu.mn.

Get instant access to accurate answers and detailed explanations for your course questions. Our community-driven platform helps students succeed!

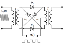
FSK модуляторын схемийг тодорхойл.  

0%
0%
100%
View this question

Тоон систем дэх ASK дохионы BER тодорхойлох томьёог тодорхойл.

0%
100%
0%
0%
View this question
PPM модуляц гэдэг нь:
0%
0%
100%
0%
View this question

Тоон цуваа нь m(t)=111010001010 бол BPSK модуляцтай дохионы хугацааны диаграмыг тодорхойл.

0%
0%
0%
0%
View this question

Харьцангуй фаз солих модуляторт m(t)=011100011010 тоон дохио өгөгдөж байгаа бол модуляцлагдсан дохионы хугацааны диаграмыг тодорхойл.

0%
0%
0%
0%
View this question
Давтамжийн синтезатор /frequency synthesizer/ гэдэг ………………………… юм.
100%
0%
0%
0%
View this question

Тодорхойлолтуудыг зөв харгалзуул. 

View this question

Аналог модуляцуудын хэрэглээг зөв харгалзуул. 

View this question

Давтамжийн модуляцитай дохионы бүрэн фаз ................... хуулиар өөрчлөгдөнө.

0%
0%
100%
View this question

Тоон цуваа нь m(t)=011011001111 бол BPSK модуляцтай дохионы хугацааны диаграмыг тодорхойл.

0%
0%
100%
0%
View this question

Want instant access to all verified answers on elearn.sict.edu.mn?

Get Unlimited Answers To Exam Questions - Install Crowdly Extension Now!

Browser

Add to Chrome