logo

Crowdly

Browser

Add to Chrome

CNC programozó és Gépésztechnikus

Looking for CNC programozó és Gépésztechnikus test answers and solutions? Browse our comprehensive collection of verified answers for CNC programozó és Gépésztechnikus at etananyag.nctakademia.hu.

Get instant access to accurate answers and detailed explanations for your course questions. Our community-driven platform helps students succeed!

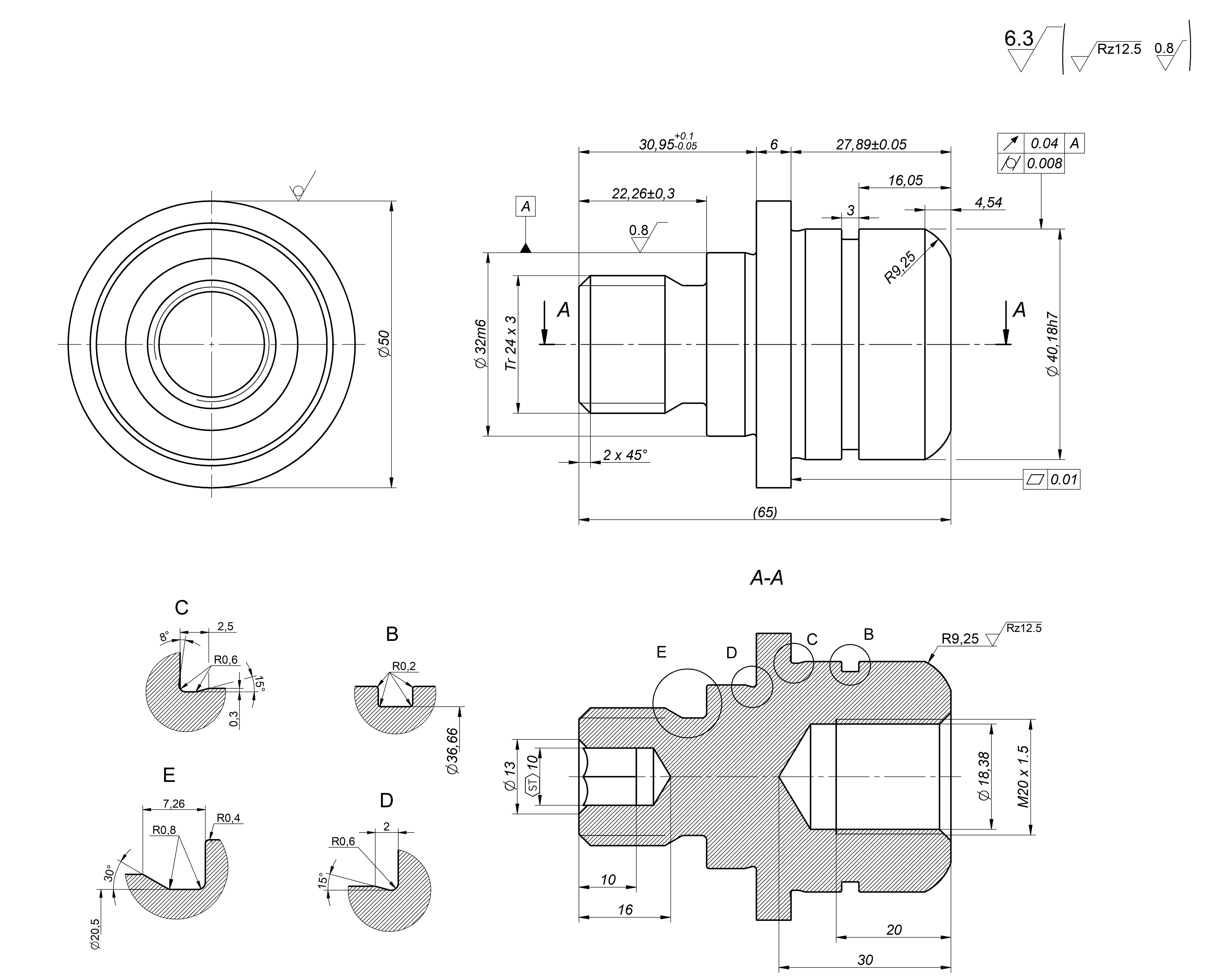
Tanulmányozza és értelmezze az alábbi műhelyrajz részletet és válaszoljon a kérdésekre!

Válassza ki az alábbi technológiák közül azt, amelyet akkor használna, ha forgácsleválasztás nélkül szeretné elkészíteni az M20x1.5 -es menetet!

II

0%
0%
0%
0%
View this question
Válassza ki, hogy az állítás igaz vagy hamis!

A G41 és G42 kódokat csak akkor kell alkalmazni, ha a szerszám átmérője megegyezik a programozott pályával.

0%
100%
View this question
Melyik befogótípusnál a leggyorsabb a szerszámcsere, és nem igényel speciális gépet vagy eszközt?
100%
0%
0%
0%
View this question
View this question
Melyik tűrésfajta írja le a tengely és furat illeszkedését?
0%
0%
100%
0%
View this question
Válassza ki, hogy az állítás igaz vagy hamis!

A vezérlőegység feladata a pontos mozgásvezérlés, hogy az alkatrészek megfelelően illeszkedjenek.

100%
0%
View this question

Tanulmányozza és értelmezze az alábbi műhelyrajz részletet és válaszoljon a kérdésekre!

Válassza ki, hogy melyik állítás a hengeresség helyes definíciója!

II

0%
0%
0%
100%
View this question
Párosítsa a képeket a megfelelő leírással!
View this question
Válaszd ki, hogy az alábbi állítás igaz vagy hamis!

 

 A tűrésmező helyzete a csapoknál mindig az alapméret alatt, a furatoknál pedig az alapméret felett helyezkedik el.

0%
0%
View this question
Melyik anyag NEM jellemző marószerszám alapanyag?
100%
0%
0%
0%
View this question

Want instant access to all verified answers on etananyag.nctakademia.hu?

Get Unlimited Answers To Exam Questions - Install Crowdly Extension Now!

Browser

Add to Chrome