logo

Crowdly

Browser

Add to Chrome

CNC programozó és Gépésztechnikus

Looking for CNC programozó és Gépésztechnikus test answers and solutions? Browse our comprehensive collection of verified answers for CNC programozó és Gépésztechnikus at etananyag.nctakademia.hu.

Get instant access to accurate answers and detailed explanations for your course questions. Our community-driven platform helps students succeed!

Válassza ki, hogy az állítás igaz vagy hamis!

A CNC vezérlőegység nem végez kompenzációs feladatokat, például holtjáték vagy hődeformációk korrigálását.

0%
0%
View this question

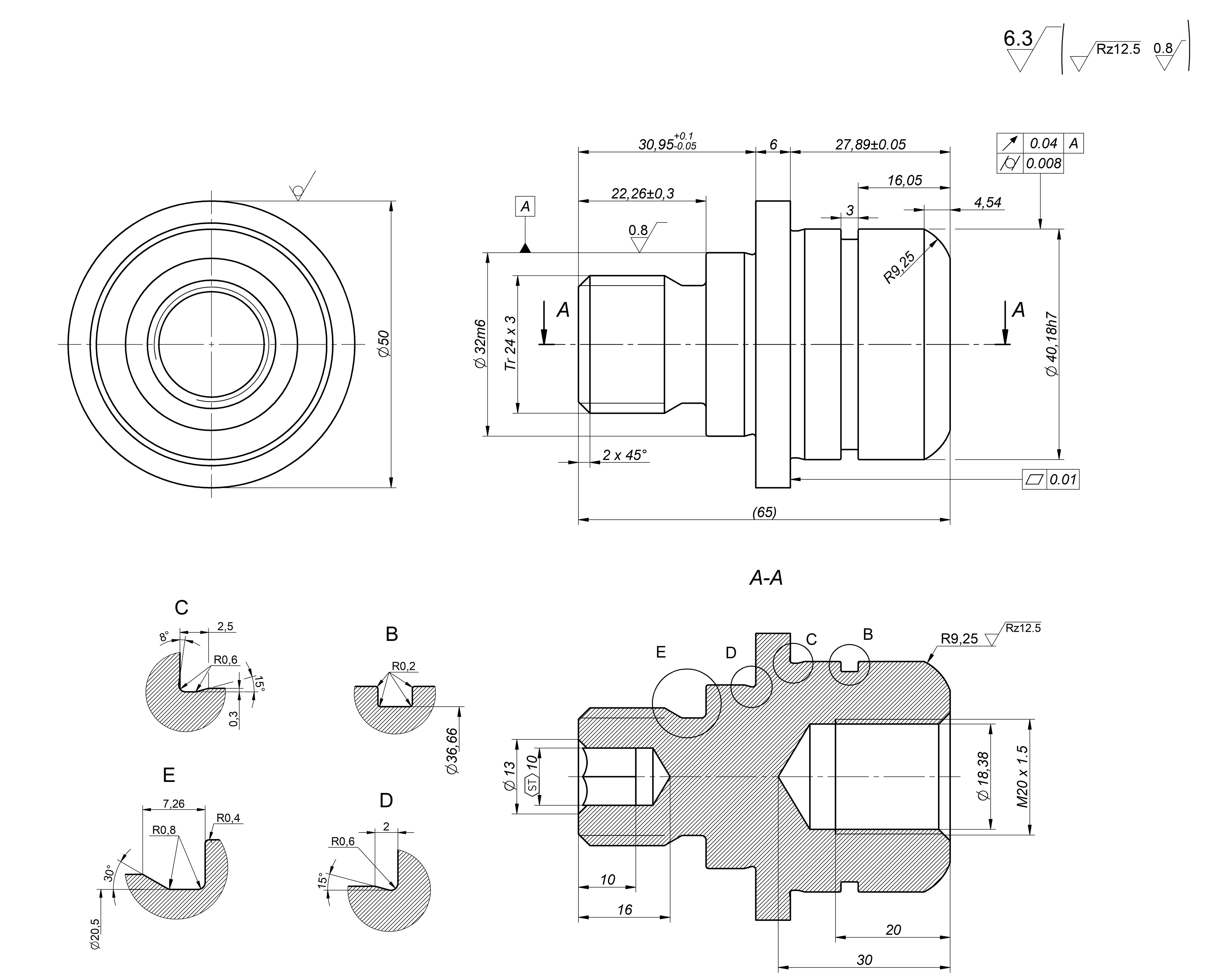
Tanulmányozza és értelmezze az alábbi műhelyrajz részletet és válaszoljon a kérdésekre!

Válassza ki, milyen előírások vonatkoznak az Ø40,18h7 - es átmérőre!

II

0%
100%
0%
0%
View this question
Válassza ki a képek közül azt vagy azokat amelyiken a szerszám helyzete, forgásiránya és vágási iránya megfelel egy jobb menetes (RH) menet esztergálására!

0%
0%
0%
0%
View this question
View this question
View this question
Válassza ki, hogy az állítás igaz vagy hamis!

A CNC gépek működése során a hűtőfolyadék automatikusan adagolható.

100%
0%
View this question
Válassza ki, hogy az állítás igaz vagy hamis!

A szerszámkompenzáció lehetővé teszi, hogy szerszámcsere után ne kelljen módosítani a teljes CNC programot.

0%
0%
View this question
Melyik szerszámbefogó típus biztosítja a legnagyobb körfutáspontosságot nagy fordulatszámnál?
0%
0%
0%
0%
View this question
View this question

Válassza ki a rajznak megfelelő programsorokat! A szerszámgép mellső késtartós a forgásirány M3!

0%
0%
0%
0%
100%
View this question

Want instant access to all verified answers on etananyag.nctakademia.hu?

Get Unlimited Answers To Exam Questions - Install Crowdly Extension Now!

Browser

Add to Chrome