logo

Crowdly

Browser

Add to Chrome

2025 - Automatismes i Mètodes de Control Industrial

Looking for 2025 - Automatismes i Mètodes de Control Industrial test answers and solutions? Browse our comprehensive collection of verified answers for 2025 - Automatismes i Mètodes de Control Industrial at eussternet.euss.cat.

Get instant access to accurate answers and detailed explanations for your course questions. Our community-driven platform helps students succeed!

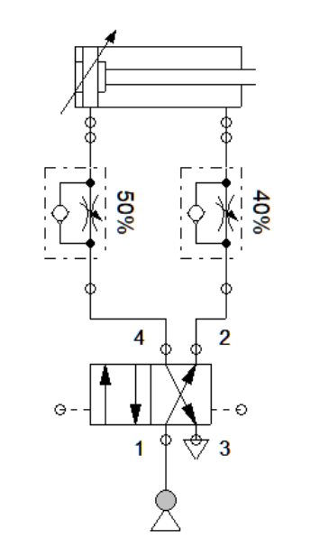
En la siguiente figura tenemos

0%
0%
0%
0%
View this question
Algunos aspectos negativos de los automatismos neumáticos:
0%
0%
0%
0%
View this question

Un cilindro de doble efecto tiene un Radio del émbolo de 2.5cm y del vástago de 1cm. Si la presión de trabajo es de 8atm, la fuerza al retrocederes de (en kp)

View this question

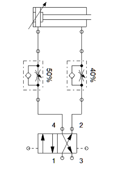
En la figura tenemos,

0%
0%
0%
0%
View this question

En general, de un cilindro de doble efecto podemos afirmar que,

0%
0%
0%
0%
View this question

Want instant access to all verified answers on eussternet.euss.cat?

Get Unlimited Answers To Exam Questions - Install Crowdly Extension Now!

Browser

Add to Chrome