logo

Crowdly

Browser

Add to Chrome

Теплопостачання

Looking for Теплопостачання test answers and solutions? Browse our comprehensive collection of verified answers for Теплопостачання at exam.nuwm.edu.ua.

Get instant access to accurate answers and detailed explanations for your course questions. Our community-driven platform helps students succeed!

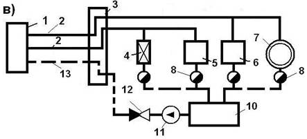
На рисунку зображена:

View this question

За потужністю джерела теплової енергії системи централізованого теплопостачання поділяють на

0%
100%
View this question

В чому полягає суть гідравлічного розрахунку водяної системи опалення за характеристиками гідравлічного опору?

View this question

Що розуміють під результуючою температурою?

View this question

Що зображено на рисунку

View this question

Робочим тиском трубопроводу називають

View this question

Яка з перелічених умов характеризує тепловий захист будівлі?

View this question

Для чого призначена система опалення?

0%
0%
0%
0%
0%
View this question

Яку величину температури зовнішнього повітря приймають за розрахункову для визначення теплових потоків на опалення та вентиляцію?

View this question

Який номер на рисунку відповідає двотрубній вертикальній системі опалення?

0%
0%
0%
0%
0%
View this question

Want instant access to all verified answers on exam.nuwm.edu.ua?

Get Unlimited Answers To Exam Questions - Install Crowdly Extension Now!

Browser

Add to Chrome