logo

Crowdly

Browser

Add to Chrome

Технологічні вимірювання

Looking for Технологічні вимірювання test answers and solutions? Browse our comprehensive collection of verified answers for Технологічні вимірювання at exam.nuwm.edu.ua.

Get instant access to accurate answers and detailed explanations for your course questions. Our community-driven platform helps students succeed!

В яких одиницях вимірюють поглинену дозу іонізуючого випромінювання в системі SI?

0%
0%
0%
0%
0%
View this question

Об’ємної витрати вимірюється в

View this question

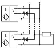
Яка схема під’єднання індуктивних давачів наведена на рисунку?

View this question

Яка умова рівноваги в поплавковому дифманометрі? (якщо прийняти, що – перепад тиску; – висота стовпа зрівноважуючої рідини; і – питома вага відповідно зрівноважуючої рідини і середовища, що знаходиться над зрівноважуючою рідиною)

View this question

Які переваги ультразвукових витратомірів?

View this question

Принцип дії електричних манометрів полягає у використанні залежності електричних параметрів від

0%
0%
0%
0%
0%
View this question

Структурними схемами вимірювальних перетворювачів є схеми

0%
0%
View this question

За видом енергії носія сигналів у каналі зв’язку вироби є

0%
0%
0%
0%
0%
View this question

Схема якого перетворювача рівня наведена нижче?

View this question

До яких компонентів вимірювальної системи відносять первинний вимірювальний перетворювач?

View this question

Want instant access to all verified answers on exam.nuwm.edu.ua?

Get Unlimited Answers To Exam Questions - Install Crowdly Extension Now!

Browser

Add to Chrome