logo

Crowdly

Browser

Add to Chrome

Напівпровідникові технології та схемотехніка

Looking for Напівпровідникові технології та схемотехніка test answers and solutions? Browse our comprehensive collection of verified answers for Напівпровідникові технології та схемотехніка at exam.nuwm.edu.ua.

Get instant access to accurate answers and detailed explanations for your course questions. Our community-driven platform helps students succeed!

Вказати призначення мікросхеми, УГП якої наведено на рисунку

0%
0%
0%
0%
View this question

Вкажіть логічну функцію, що реалізується наведеною схемою

0%
0%
0%
0%
View this question

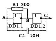
Вкажіть призначеня схеми, що зображена на рисунку

View this question

Вкажіть функцію, що виконує схема на рисунку

0%
0%
0%
0%
0%
View this question

Що є основою будь-якого буферного елемента ?

0%
0%
0%
0%
View this question

Вкажіть логічну функцію, що реалізується наведеною схемою з елементів Пірса

0%
0%
0%
0%
View this question

Вказати назву логічної функції, що приймає значення 1 у випадках, коли її аргументи не дорівнюють один одному?

0%
0%
0%
0%
0%
View this question

До якого класу відноситься схема, зображена на рисунку

0%
0%
0%
0%
View this question

Вказати комбінацію сигналів на керуючих входах S та R, при яких схема на рисунку працює в режимі лічильного T-тригера?

View this question

Вкажіть функцію, що виконує схема на рисунку?

0%
0%
0%
0%
0%
View this question

Want instant access to all verified answers on exam.nuwm.edu.ua?

Get Unlimited Answers To Exam Questions - Install Crowdly Extension Now!

Browser

Add to Chrome