logo

Crowdly

Browser

Add to Chrome

2024/25/2 - Gyártóberendezések és rendszerek II. - BGXGR26BLE/EA1

Looking for 2024/25/2 - Gyártóberendezések és rendszerek II. - BGXGR26BLE/EA1 test answers and solutions? Browse our comprehensive collection of verified answers for 2024/25/2 - Gyártóberendezések és rendszerek II. - BGXGR26BLE/EA1 at main.elearning.uni-obuda.hu.

Get instant access to accurate answers and detailed explanations for your course questions. Our community-driven platform helps students succeed!

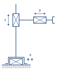
Milyen típusú robotmechanika látható a mellékelt ábrán?

0%
0%
0%
0%
0%
View this question

Milyen megfogási mód látható a mellékelt ábrán?

0%
0%
View this question

Mi látható a mellékelt ábrán?

0%
0%
0%
View this question

Mi a robotmechanika?

0%
100%
0%
0%
View this question

Hány különböző változatban kapcsolható össze a robot három tagja?

0%
0%
100%
0%
View this question

Mely feladatok jellemzőek a szerelő robotokra?

100%
100%
100%
100%
100%
100%
0%
100%
100%
0%
0%
100%
100%
100%
View this question

Milyen robotmechanika látható a mellékelt képen?

0%
0%
0%
100%
0%
View this question

Mi látható a mellékelt ábrán?

0%
100%
0%
View this question

Minek a feladata a mért állapotváltozók alakulásából a kondícióváltozások és okainak meghatározása?

0%
0%
0%
0%
View this question

A kereskedelemben kapható erőszenzorok leginkább a ............................ elvet használják.

0%
0%
100%
0%
0%
View this question

Want instant access to all verified answers on main.elearning.uni-obuda.hu?

Get Unlimited Answers To Exam Questions - Install Crowdly Extension Now!

Browser

Add to Chrome