logo

Crowdly

Browser

Add to Chrome

Instrumentação e Medição

Looking for Instrumentação e Medição test answers and solutions? Browse our comprehensive collection of verified answers for Instrumentação e Medição at moodle2425.up.pt.

Get instant access to accurate answers and detailed explanations for your course questions. Our community-driven platform helps students succeed!

Consider a digital multimeter (DMM) operating as an ohmmeter.

Ohmmeter in use

The manufacturer specifies the accuracy performance of the ohmmeter as follows.

Display: 3,5 digitsAccuracy
Ranges(% of range + counts)
200 Ω2 kΩ20 kΩ200 kΩ2 MΩ1 + 4

Assuming the resistance reading of , determine the minimum absolute value of the reading uncertainty.

View this question

Consider the dc output voltage measurement of a device under test (DUT), which consists on a voltage regulator, as shown in figure. In order to obtain the voltage output for a given load , a 4  digital multimeter (DMM) was used as a voltmeter, always selecting the most adequate measurement range for the readings.

DUT being measured by DMM

A large number of independent voltage readings has been performed, , leading to the average value , with standard deviation .

Obtain the absolute value for the expanded combined uncertainty (from types A and B uncertainties) at a 95 % confidence interval.

The DMM manufacturer provides the accuracy of the voltmeter in the table below.

RangeResolutionAccuracy
60 mV1 μV
600 mV10 μV
6 V100 μV
View this question

Consider an extruder of a 3D printer with temperature control provided by a K-type thermocouple transducer with Seebeck coefficient . At the cold junction it is used an analog integrated-circuit temperature sensor with lower temperature range, but suitable for measuring the thermal block temperature. It provides cold-junction compensation by means of a proportional-to-absolute temperature (PTAT) voltage , which drives the instrumentation amplifier (IA) reference pin (voltage/temperature characteristic shown in figure). The IA output voltage consists of .

Thermocouple circuit

What is the maximum temperature (in °C) that can be measured at the extruder given a maximum linear IA output voltage of ?

View this question

The temperature of an industrial boiler is monitorized by means of a J-type thermocouple with a hot-junction temperature and a cold-junction temperature of .

Thermocouple circuit

Under the present conditions, assuming an ideal operational amplifier, obtain the output voltage of the circuit () in which and .

View this question

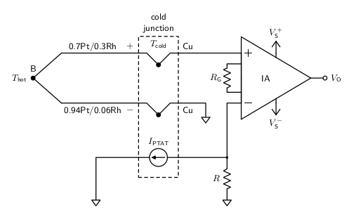
The circuit shown in figure employs a type-B thermocouple with Seebeck coefficient , applied in a glass production system for measuring furnace temperatures during glass melting and forming processes.

To compensate the cold junction, an integrated analog circuit is used, providing a proportional-to-absolute temperature (PTAT) current given by , where is the temperature in °C, , and .

Circuit

What is the value of that compensates the cold junction?

View this question

The project of an analogue temperature sensor for bakery ovens was left unfinished after the departure of the electronic engineer responsible for the circuit design (who accepted a job offer from the competition earning double). As the new employee, your mission, should you decide to accept it, is to complete the circuit design depicted below.

Thermocouple circuit

The circuit aims to generate a linear voltage output () proportional to the temperature in the oven (), with a sensitivity of .

For the thermocouple, type E with a Seebeck coefficient has been selected.

For cold-junction compensation, the prior approach is maintained, using an analogue temperature sensor to produce a temperature-dependent voltage () given by , where is the temperature in Kelvin and .

It is essential that is free from any offset. As such, you need to determine the value of the regulated voltage () required to meet all these specifications.

View this question

Consider the circuit shown with a K-type thermocouple, with Seebeck coefficient , used to sense the temperature in a oven.

Thermocouple circuit

Assuming the operation amplifier as rail-to-rail output, obtain the value of in the circuit so that the difference between the oven temperature () and the cold junction temperature ( is maximized in the interval .

View this question

Consider the temperature measurement circuit depicted in the figure, which uses a thermistor as the temperature sensor, i.e. the resistor with negative temperature coefficient (NTC). The temperature operating range is from 0 °C to 100 °C.

Thermistor circuit

Also, admit the sensor characteristic, which is shown in the next figure, being defined by a constant over the operating temperature range.

Thermistor RT charactetistic

The circuit is designed to minimimze the common-mode voltage at the amplifier inputs at midscale temperature. Consider and obtain the value of that uses the maximum analog-to-digital (ADC) dynamic range.

View this question

There are only six types of tea! That is, only those processed from Camellia sinensis leaves can be called this way. All others, nicknamed herbal teas are in reality tisanes (infusions). Anyway, this exercise will lead you to part of the design of a temperature sensor that monitors temperature of tea brewing (and infusions as well) on the appropriate scale, as indicated in the next table.

Type (minutes)
Black93–1003–5
Green70–822
White70–851–2
Oolong85–962–3
Yellow70–802
Pu-erh93–1002–3
Herbal1003–4

Let us make use of a thermistor NTC with at and . Furthermore, assume margin for the temperature range of interest, i.e. 10 % below 70 °C and above 100 °C. Consider the following circuit.

Thermistor circuit

Now, firstly consider the midrange temperature, let us call it and derive based on the inflection-point method, i.e. .

Then, design the remaining circuit obtaining the value of that implies an output at half the power supply when the temperature is at midrange, i.e. . Admit and a linear output voltage range limited to from the power rails, i.e. , which should coincide with the temperature range specified.

View this question

The following circuit is used as a thermostat. When the temperature rises above a critical value (), the comparator output goes high, indicating overtemperature.

Thermistor circuit

The circuit employs an NTC thermistor () for temperature sensing, with at 25 °C and , assumed constant for all the temperature range.

Determine the temperature (in °C) at which the comparator changes its output value (i.e., ).

View this question

Want instant access to all verified answers on moodle2425.up.pt?

Get Unlimited Answers To Exam Questions - Install Crowdly Extension Now!

Browser

Add to Chrome