logo

Crowdly

Browser

Add to Chrome

Instrumentação e Medição

Looking for Instrumentação e Medição test answers and solutions? Browse our comprehensive collection of verified answers for Instrumentação e Medição at moodle2425.up.pt.

Get instant access to accurate answers and detailed explanations for your course questions. Our community-driven platform helps students succeed!

Consider the following voltage amplification circuit in which a Wheatstone bridge is employed at the input of an instrumentation amplifier (IA).

Amplification circuit

Assume , , , and .

Determine the value of so that the differential component has a low-pass filter response with cut-off frequency at 10 Hz (assume ).

View this question

Consider a regulated voltage output that needs to be checked. Three colored DC digital bench voltmeters (DVM) are available: red (DVM-1), green (DVM-2), and blue (DVM-3). Determine which one provides the best measurement uncertainty, i.e., in the reading result , and provide the value of the uncertainty found for that DVM. Assume that all of them provide the same reading .

DVMs

The accuracy performance for each DVM is summarized below.

DVM-1DVM-2DVM-3
display: 3 display: 3 display: 3
rangeaccuracyrangeaccuracyrangeaccuracy
400 mV0.5 % + 5 LSD500 mV0.6 % + 5 LSD600 mV0.1 % + 9 LSD
4 V0.6 % + 4 LSD5 V0.7 % + 3 LSD6 V0.3 % + 8 LSD
40 V0.7 % + 3 LSD50 V0.7 % + 2 LSD60 V0.3 % + 6 LSD

View this question

Consider the measurement of the peak-to-peak voltage () of a periodic signal using a digital storage oscilloscope (DSO).

Oscilloscope displaying voltage signal

The DSO manufacturer specifies the vertical scale accuracy as of full scale in the basic measurements manual.

As with any measurement, values obtained directly from the oscilloscope screen, such as , are inherently associated with an uncertainty (). For the present case, determine in percentage (%).

View this question

Consider an extruder of a 3D printer with temperature control provided by a K-type thermocouple transducer with Seebeck coefficient . At the cold junction it is used an analog integrated-circuit temperature sensor with lower temperature range, but suitable for measuring the thermal block temperature. It provides cold-junction compensation by means of a proportional-to-absolute temperature (PTAT) voltage , which drives the instrumentation amplifier (IA) reference pin (voltage/temperature characteristic shown in figure). The IA output voltage consists of .

Thermocouple circuit

What is the maximum temperature (in °C) that can be measured at the extruder given a maximum linear IA output voltage of ?

View this question

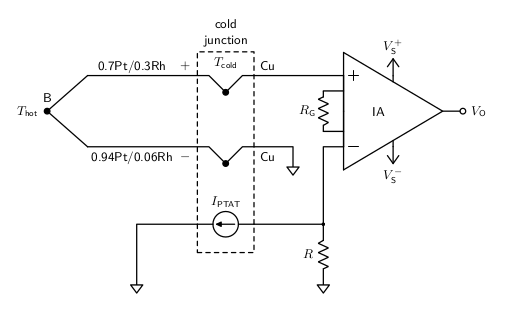
The circuit shown in figure employs a type-B thermocouple with Seebeck coefficient , applied in a glass production system for measuring furnace temperatures during glass melting and forming processes.

To compensate the cold junction, an integrated analog circuit is used, providing a proportional-to-absolute temperature (PTAT) current given by , where is the temperature in °C, , and .

Circuit

What is the value of that compensates the cold junction?

View this question

The project of an analogue temperature sensor for bakery ovens was left unfinished after the departure of the electronic engineer responsible for the circuit design (who accepted a job offer from the competition earning double). As the new employee, your mission, should you decide to accept it, is to complete the circuit design depicted below.

Thermocouple circuit

The circuit aims to generate a linear voltage output () proportional to the temperature in the oven (), with a sensitivity of .

For the thermocouple, type E with a Seebeck coefficient has been selected.

For cold-junction compensation, the prior approach is maintained, using an analogue temperature sensor to produce a temperature-dependent voltage () given by , where is the temperature in Kelvin and .

It is essential that is free from any offset. As such, you need to determine the value of the regulated voltage () required to meet all these specifications.

View this question

The temperature of an industrial boiler is monitorized by means of a J-type thermocouple with a hot-junction temperature and a cold-junction temperature of .

Thermocouple circuit

Under the present conditions, assuming an ideal operational amplifier, obtain the output voltage of the circuit () in which and .

View this question

Consider the circuit shown with a K-type thermocouple, with Seebeck coefficient , used to sense the temperature in a oven.

Thermocouple circuit

Assuming the operation amplifier as rail-to-rail output, obtain the value of in the circuit so that the difference between the oven temperature () and the cold junction temperature ( is maximized in the interval .

View this question

Consider the temperature measurement circuit depicted in the figure, which uses a thermistor as the temperature sensor, i.e. the resistor with negative temperature coefficient (NTC). The temperature operating range is from 0 °C to 100 °C.

Thermistor circuit

Also, admit the sensor characteristic, which is shown in the next figure, being defined by a constant over the operating temperature range.

Thermistor RT charactetistic

The circuit is designed to minimimze the common-mode voltage at the amplifier inputs at midscale temperature. Consider and obtain the value of that uses the maximum analog-to-digital (ADC) dynamic range.

View this question

There are only six types of tea! That is, only those processed from Camellia sinensis leaves can be called this way. All others, nicknamed herbal teas are in reality tisanes (infusions). Anyway, this exercise will lead you to part of the design of a temperature sensor that monitors temperature of tea brewing (and infusions as well) on the appropriate scale, as indicated in the next table.

Type (minutes)
Black93–1003–5
Green70–822
White70–851–2
Oolong85–962–3
Yellow70–802
Pu-erh93–1002–3
Herbal1003–4

Let us make use of a thermistor NTC with at and . Furthermore, assume margin for the temperature range of interest, i.e. 10 % below 70 °C and above 100 °C. Consider the following circuit.

Thermistor circuit

Now, firstly consider the midrange temperature, let us call it and derive based on the inflection-point method, i.e. .

Then, design the remaining circuit obtaining the value of that implies an output at half the power supply when the temperature is at midrange, i.e. . Admit and a linear output voltage range limited to from the power rails, i.e. , which should coincide with the temperature range specified.

View this question

Want instant access to all verified answers on moodle2425.up.pt?

Get Unlimited Answers To Exam Questions - Install Crowdly Extension Now!

Browser

Add to Chrome