logo

Crowdly

Browser

Add to Chrome

Instrumentação e Medição

Looking for Instrumentação e Medição test answers and solutions? Browse our comprehensive collection of verified answers for Instrumentação e Medição at moodle2425.up.pt.

Get instant access to accurate answers and detailed explanations for your course questions. Our community-driven platform helps students succeed!

Consider a remote measurement conducted over long distance, where each wire has a total resistance of , sharing identical lengths.

Remote measurement circuit

Admitting the instrumentation amplifier (IA) gain given by , with gain resistor , obtain the output voltage when .

View this question

Consider a regulated voltage output, which needs to be checked. Three dc digital bench voltmeters (DVM) are available (red DVM-1, green DVM-2, and blue DVM-3). Find which one provides the best measurement uncertainty, i.e. in the reading result , and provide the value of the uncertainty found only for that DVM.

DVMs

The first DVM provided the reading , whereas the second shown , and finally, the third gave .

The accuracy performance is summarized below.

DVM-1DVM-2DVM-3
display: 3 display: 3 display: 3
rangeaccuracyrangeaccuracyrangeaccuracy
400 mV0.5 % + 4 LSD500 mV0.6 % + 5 LSD600 mV0.1 % + 5 LSD
4 V0.6 % + 4 LSD5 V0.7 % + 5 LSD6 V0.3 % + 4 LSD
40 V0.7 % + 2 LSD50 V0.7 % + 4 LSD60 V0.3 % + 3 LSD
View this question

A digital multimeter (DMM) is used as a voltmeter to measure the potential difference of between two terminals of a device under test (DUT). The measurement is performed at a location with a temperature of .

Voltmeter measuring a potential difference

The dc voltmeter has a display of 3.75 digits and operates within voltage ranges of 400 mV, 4 V, and 40 V. The remaining specifications are shown below.

dc voltmeteraccuracytemperature
reading + digits
reading/°C to
to

Determine the absolute value of the reading uncertainty.

View this question

In the following circuit the thermistor NTC has at and .

Thermistor circuit

The digital voltmeter (DVM), measuring the output , indicates . Obtain the temperature at the thermistor in °C.

View this question

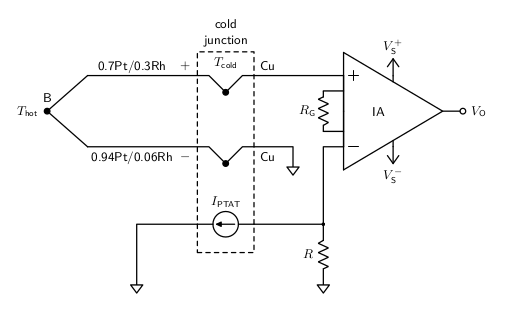
The circuit shown in figure employs a type-B thermocouple with Seebeck coefficient , applied in a glass production system for measuring furnace temperatures during glass melting and forming processes.

To compensate the cold junction, an integrated analog circuit is used, providing a proportional-to-absolute temperature (PTAT) current given by , where is the temperature in °C, , and .

Circuit

What is the value of that compensates the cold junction?

View this question

For the Hay bridge shown in the figure, assuming the bridge is in equilibrium, at the frequency of , calculate the series parasitic resistance of the inductor, , considering , , , and .

Hay bridge circuit

View this question

The universal digital counter, with the simplified diagram representation shown below, is operating as a frequency meter. The oscilator frequency is and the decade divider provides the time-base selection of frequency signals , .

Universal digital counter diagram

Assuming an input signal with frequency , what is the number of pulses obtained by the decade counter when the most adequate time base has been chosen?

View this question

Consider the following digital-to-analog converter (DAC), which uses a 3-bit word () to control which of the switches turns on (’1’ means closed) while all the others are kept turned off (’0’ means opened). For this end, it uses a decoder that converts each input to a 8-bit word () by means of one-hot encoding (only a single bit is ’1’).

DAC circuit

Assuming the reference voltage , what is the analog output voltage for a binary input 101.

View this question

Consider the following circuit with a perfect bipolar analog-to-digital converter (ADC), with a uniform mid-tread quantizer, having a dynamic input range from to . Also, consider that, at the input , and the range of is .

ADC reading circuit

Considering that has been designed to minimize the quantization error of the ADC in the full range of , obtain the output (in decimal) in the case where .

View this question

Consider an analog-to-digital converter (ADC), with mid-tread quantization, having the transfer function shown in the figure.

ADC transfer function

Assuming a perfect ADC with full-scale voltage , obtain the output digital value (, in binary) when the analog input is .

View this question

Want instant access to all verified answers on moodle2425.up.pt?

Get Unlimited Answers To Exam Questions - Install Crowdly Extension Now!

Browser

Add to Chrome