logo

Crowdly

Browser

Add to Chrome

KK: 💼PKE24a ZT

Looking for KK: 💼PKE24a ZT test answers and solutions? Browse our comprehensive collection of verified answers for KK: 💼PKE24a ZT at moodle.bzr.ch.

Get instant access to accurate answers and detailed explanations for your course questions. Our community-driven platform helps students succeed!

View this question
View this question
View this question

Welche Aufzählung enthält ausschliesslich korrekte Begründungen für die Notwendigkeit von Toleranzen?

0%
0%
0%
View this question

Welche Aussage/n zu den Toleranzen sind korrekt?

0%
0%
0%
0%
0%
View this question

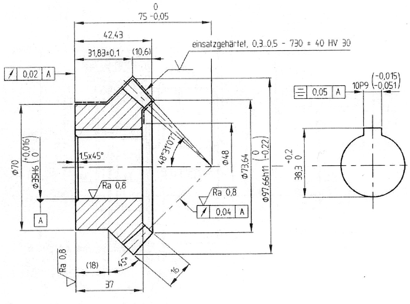
  1. Welche Oberflächengüte auf nachfolgender Zeichnung gilt nur in einem genauer definierten Bereich über mehrere Flächen?
  2. Woran erkennt man diese Angabe?

View this question
View this question

Interpretiere folgende Angaben vollständig.

View this question

Interpretiere folgende Angaben vollständig.

View this question

Interpretiere folgende Angaben vollständig.

View this question

Want instant access to all verified answers on moodle.bzr.ch?

Get Unlimited Answers To Exam Questions - Install Crowdly Extension Now!

Browser

Add to Chrome