logo

Crowdly

Browser

Add to Chrome

Электроника 2024-2025

Looking for Электроника 2024-2025 test answers and solutions? Browse our comprehensive collection of verified answers for Электроника 2024-2025 at moodle.dku.kz.

Get instant access to accurate answers and detailed explanations for your course questions. Our community-driven platform helps students succeed!

Что будет в промежутке DЕ, показанной на ВАХ тиристора?

6-7

0%
0%
0%
0%
View this question

При использовании какого вида сглаживающего фильтра коэффициент сглаживания определяется по следующей формуле?

10-10

0%
0%
0%
View this question

Какой оптоэлектронный прибор применен в схеме?

30

View this question

Какой элемент показан на рисунке?

6-13

0%
0%
0%
0%
0%
0%
View this question

Как называется III область в характеристика полевого транзистора, показанной на рисунке?

4-8

View this question

Какой прибор показан на рисунке?

28

0%
0%
0%
0%
0%
0%
View this question

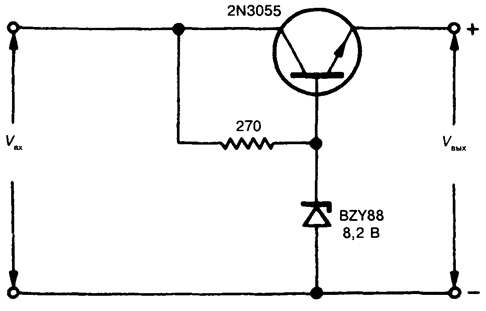
Какую функцию выполняют в схеме транзистор Т1?

11-11

100%
100%
100%
100%
0%
100%
View this question

При использовании какого вида сглаживающего фильтра коэффициент сглаживания определяется по следующей формуле?

10-9

0%
0%
0%
0%
0%
0%
View this question

Какой величиной оценивается выходная характеристика полевого транзистора?

4-8

100%
0%
0%
0%
100%
0%
View this question

Найдите ответы с правильным указанием частей оптопары.

7-10

0%
0%
0%
0%
0%
0%
View this question

Want instant access to all verified answers on moodle.dku.kz?

Get Unlimited Answers To Exam Questions - Install Crowdly Extension Now!

Browser

Add to Chrome