logo

Crowdly

Browser

Add to Chrome

Automatismes S2

Looking for Automatismes S2 test answers and solutions? Browse our comprehensive collection of verified answers for Automatismes S2 at moodle.enib.fr.

Get instant access to accurate answers and detailed explanations for your course questions. Our community-driven platform helps students succeed!

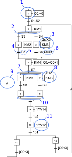
On souhaite réaliser la programmation de ce grafcet sous Unity Pro:

Dire si les propositions suivantes concernant la programmation de la sortie KM1, sont correctes (oui) ou incorrectes (non).

View this question

Appairez les éléments:

View this question
View this question
View this question

Voici un grafcet partie commande. S1, S2..S9 représentent des boutons poussoirs et KM1, KM2,...KM6 des contacteurs. 1YV14 et 1YV12 sont des EV d'un distributeur 5/2.

View this question
View this question
View this question

Associez le nom de chaque composant avec son repère sur le schéma:

View this question
View this question
View this question

Want instant access to all verified answers on moodle.enib.fr?

Get Unlimited Answers To Exam Questions - Install Crowdly Extension Now!

Browser

Add to Chrome