logo

Crowdly

Browser

Add to Chrome

MXFGE1PH40 Des Signaux pour communiquer (2024-2025)

Looking for MXFGE1PH40 Des Signaux pour communiquer (2024-2025) test answers and solutions? Browse our comprehensive collection of verified answers for MXFGE1PH40 Des Signaux pour communiquer (2024-2025) at moodle.epf.fr.

Get instant access to accurate answers and detailed explanations for your course questions. Our community-driven platform helps students succeed!

Donner la valeur numérique (en rad/s) de la pulsation de coupure du filtre dont le diagramme de Bode est le suivant

Bode PH2 1

View this question

Donner la valeur numérique (en rad/s) de la plus basse pulsation de coupure du filtre dont le diagramme de Bode est le suivant

Bode CBande2 1

View this question

Donner la valeur numérique (en rad/s) de la pulsation de coupure du filtre dont le diagramme de Bode est le suivant

Bode PB2 1

View this question

On considère le circuit ci-dessous.

Filtre08

0%
0%
0%
0%
0%
View this question

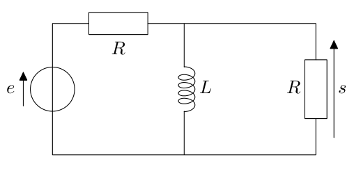
On considère le circuit ci-dessous.

Filtre01

100%
0%
0%
0%
0%
View this question

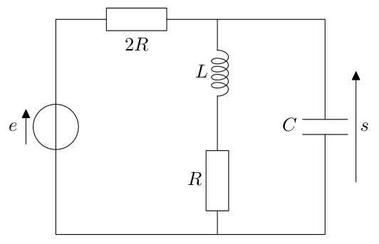
On considère le circuit ci-dessous.

Filtre07

0%
100%
0%
0%
0%
View this question

On considère le circuit ci-dessous.

Filtre09

100%
0%
0%
0%
0%
View this question

Quelle(s) est/sont la/les condition(s) pour obtenir des ondes stationnaires avec des noeuds d'amplitude nulle ?

View this question

Sur une corde de longueur , fixée à ses deux extrémités, les conditions aux limites s’écrivent :

View this question

Une corde de longueur m vibre sur son mode propre .  

Quelle est la longueur d’onde de ce mode ?  

(Indiquer la réponse en mètre avec 1 chiffres après la virgule)

View this question

Want instant access to all verified answers on moodle.epf.fr?

Get Unlimited Answers To Exam Questions - Install Crowdly Extension Now!

Browser

Add to Chrome