logo

Crowdly

Browser

Add to Chrome

MXFGE1PH40 Des Signaux pour communiquer (2024-2025)

Looking for MXFGE1PH40 Des Signaux pour communiquer (2024-2025) test answers and solutions? Browse our comprehensive collection of verified answers for MXFGE1PH40 Des Signaux pour communiquer (2024-2025) at moodle.epf.fr.

Get instant access to accurate answers and detailed explanations for your course questions. Our community-driven platform helps students succeed!

Donner la valeur numérique du gain maximal du filtre dont le diagramme de Bode est le suivant

Bode PB2 1

View this question

Bode PB1 1

Le diagramme de Bode ci-dessus correspond à un filtre...

View this question

On considère le circuit ci-dessous.

Filtre08

0%
0%
0%
0%
View this question

On considère le circuit ci-dessous.

Filtre06

0%
0%
0%
0%
View this question

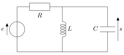
On considère le circuit ci-dessous.

Filtre04

0%
0%
0%
0%
View this question

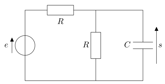
On considère le circuit ci-dessous.

Filtre02

0%
0%
0%
0%
0%
View this question

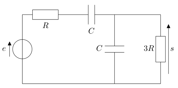
On considère le circuit ci-dessous.

Filtre13

0%
0%
0%
0%
0%
View this question

On considère le circuit ci-dessous.

Filtre03

View this question

On considère le circuit ci-dessous.

Filtre01

View this question

On considère le circuit ci-dessous.

Filtre10

0%
0%
0%
0%
View this question

Want instant access to all verified answers on moodle.epf.fr?

Get Unlimited Answers To Exam Questions - Install Crowdly Extension Now!

Browser

Add to Chrome