logo

Crowdly

Browser

Add to Chrome

0162 -Programació de Sistemes automàtics

Looking for 0162 -Programació de Sistemes automàtics test answers and solutions? Browse our comprehensive collection of verified answers for 0162 -Programació de Sistemes automàtics at moodle.escoladeltreball.org.

Get instant access to accurate answers and detailed explanations for your course questions. Our community-driven platform helps students succeed!

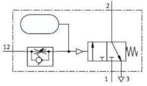
 ¿Què és una vàlvula monoestable?

0%
100%
0%
0%
View this question

Pel control del moviment d'un cilindre de doble efecte podem utilitzar una/es vàlvula/les distribuïdores/s de:

100%
100%
100%
100%
View this question

Conversió correcta de MPa a bar

0%
100%
0%
0%
View this question

Quin cilindre és la de la figura?  

0%
0%
0%
100%
View this question

Relaciona el símbol de les vàlvules amb el seu nom

View this question

Aquest símbol equival a  

0%
0%
0%
0%
View this question

Relaciona nivells GRAFCET

View this question

Un cilindre és una:

0%
0%
0%
100%
View this question

Aquest símbol equival a  

0%
0%
100%
0%
View this question

Quin temporitzador està escrit correctament, si representa una condició

0%
100%
0%
0%
View this question

Want instant access to all verified answers on moodle.escoladeltreball.org?

Get Unlimited Answers To Exam Questions - Install Crowdly Extension Now!

Browser

Add to Chrome