logo

Crowdly

Browser

Add to Chrome

DEE-EC - Teoria dos Circuitos - 2º Semestre 2024/2025

Looking for DEE-EC - Teoria dos Circuitos - 2º Semestre 2024/2025 test answers and solutions? Browse our comprehensive collection of verified answers for DEE-EC - Teoria dos Circuitos - 2º Semestre 2024/2025 at moodle.isep.ipp.pt.

Get instant access to accurate answers and detailed explanations for your course questions. Our community-driven platform helps students succeed!

De acordo com a simulação que realizou no QUCS para o circuito RLC paralelo, o valor da Corrente na Bobina (IL) para uma Frequência de 1 kHz é, em mA:

(Apresente o resultado arredondado à milésima de mA)

View this question

De acordo com a simulação que realizou no QUCS para o circuito RLC paralelo, o valor da Corrente na Resistência (IR) para uma Frequência de 5 kHz é, em mA:

(Apresente o resultado arredondado à milésima de mA)

View this question

De acordo com a simulação que realizou no QUCS para o circuito RLC paralelo, o valor da Corrente Total (IT) para uma Frequência de 7 kHz é, em mA:

(Apresente o resultado arredondado à milésima de mA)

View this question

De acordo com a simulação que realizou no QUCS para o circuito RLC paralelo, o valor da Corrente no Condensador (IC) para uma Frequência de 3 kHz é, em mA:

(Apresente o resultado arredondado à milésima de mA)

View this question

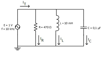
Simulação usando o QUCS

Considere o seguinte circuito:

Implemente o circuito no QUCS, colocando 4 Amperímetros, de forma a medir a Corrente total (IT), na Resistência (IR), na Bobina (IL) e no Condensador (IC).

Configure a Fonte de Alimentação CA para

f = 10 kHz e E = 1 V (valor eficaz).

Execute

uma “Simulação CA", para um intervalo de frequências de 1 kHz a 10 kHz,

com passos de 100 Hz (nº de pontos = 91).

Adicione uma “Tabela” à folha da

simulação, para apresentar os valores das Correntes medidas pelos 4 Amperímetros, para as diferentes

frequências.

Adicione um “Diagrama Cartesiano” de

evolução da Corrente com a Frequência e registe o valor de Frequência para o

qual o valor da Corrente é mínimo (Frequência de Ressonância - f

0

). Para registar este valor no gráfico, seleccione

“Inserir marcador no gráfico” (ou “

Set Marquer on Graphic”), no menu “Inserir”.

Execute

a simulação e anexe aqui.

View this question

De acordo com a simulação que realizou no QUCS para o circuito RLC série, o valor da Tensão na Resistência (UR) para uma Frequência de 5 kHz é, em V:

(Apresente o resultado arredondado à milésima de V)

View this question

De acordo com a simulação que realizou no QUCS para o circuito RLC série, o valor da Tensão na Bobina (UL) para uma Frequência de 3 kHz é, em V:

(Apresente o resultado arredondado à milésima de V)

View this question

De acordo com a simulação que realizou no QUCS para o circuito RLC série, o valor da Tensão no Condensador (UC) para uma Frequência de 5 kHz é, em V:

(Apresente o resultado arredondado à milésima de V)

View this question

De acordo com a simulação que realizou no Qucs para o circuito RLC em serie, o valor da corrente no circuito para uma Frequência de 9 kHz é:

(Apresente o resultado arredondado à milésima de mA)

View this question

Simulação usando o QUCS

Considere o seguinte circuito:

Implemente o circuito no QUCS, colocando 1 Amperímetro e 3 Voltimetros de forma a medir a Corrente total (I) e a Tensão em cada um dos componentes (UR, UL e UC), respectivamente. 

Configure a Fonte de Alimentação CA para f = 10 kHz e E = 5 V (tensão eficaz).

Defina “Simulação CA", para um intervalo de frequências de 1 a 10 kHz, com passos de 100 Hz (nº de pontos = 91).

Adicione uma “Tabela” à folha da simulação, para apresentar os valores de Corrente e Tensão medidos pelo Amperímetro e pelos 3 Voltímetros, para as diferentes frequências.

Adicione um “Diagrama Cartesiano” de evolução da Corrente com a Frequência e registe o valor de Frequência para o qual o valor da Corrente é máximo (Frequência de Ressonância - f0). Para registar este valor no gráfico, seleccione “Inserir marcador no gráfico” (ou “Set Marquer on Graphic”), no menu “Inserir”.

Execute a simulação e anexe-a aqui.

View this question

Want instant access to all verified answers on moodle.isep.ipp.pt?

Get Unlimited Answers To Exam Questions - Install Crowdly Extension Now!

Browser

Add to Chrome