logo

Crowdly

Browser

Add to Chrome

DEE-EC - Teoria dos Circuitos - 2º Semestre 2024/2025

Looking for DEE-EC - Teoria dos Circuitos - 2º Semestre 2024/2025 test answers and solutions? Browse our comprehensive collection of verified answers for DEE-EC - Teoria dos Circuitos - 2º Semestre 2024/2025 at moodle.isep.ipp.pt.

Get instant access to accurate answers and detailed explanations for your course questions. Our community-driven platform helps students succeed!

 

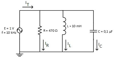
O valor da Corrente total (IT) no circuito à Frequência de Ressonância é, em mA (arredondando às centésimas de mA):

 

 

View this question

 

O módulo da Corrente no Condensador - IC - é (em mA e arredondando às centésimas de mA):

 

 

View this question

 

O valor da Corrente na Resistência (IR) à Frequência de Ressonância é (em mA e arredondado às centésimas de mA):

 

 

View this question

 

Considere o seguinte circuito:

Calcule o módulo da Impedância equivalente - Zeq - vista da fonte de tensão (em Ω e arredondando às centésimas de Ω):

 

 

View this question

 

 

Indique a fase da tensão UC (em º, arredondada às décimas de º):

Atenção: caso o ângulo seja negativo, coloque o sinal '-' antes do seu valor em graus (º)

 

 

 

View this question

 

O módulo da Tensão na Resistência - UR - à Frequência de Ressonância é, em V:

(Apresente o resultado arredondado às centésimas de V)

 

 

View this question

 

O valor da Frequência de Ressonância (f0) do circuito é, em Hz:

(Apresente o resultado arredondado às centésimas de Hz)

 

 

View this question

 

 

módulo da Tensão na Bobina - UL - à Frequência de Ressonância é, em V:

(Apresente o resultado arredondado às centésimas de V)

 

View this question

O módulo da Corrente no circuito - I - à Frequência de Ressonância é, em mA:

(Apresente o resultado arredondado às centésimas de mA)

View this question

 

 

módulo da Tensão no Condensador - UC - à Frequência de Ressonância é, em V:

(Apresente o resultado arredondado às centésimas de V)

 

 

 

 

View this question

Want instant access to all verified answers on moodle.isep.ipp.pt?

Get Unlimited Answers To Exam Questions - Install Crowdly Extension Now!

Browser

Add to Chrome