logo

Crowdly

Browser

Add to Chrome

Analóg áramkörök (11.B_ELT)

Looking for Analóg áramkörök (11.B_ELT) test answers and solutions? Browse our comprehensive collection of verified answers for Analóg áramkörök (11.B_ELT) at moodle.jrobi.hu.

Get instant access to accurate answers and detailed explanations for your course questions. Our community-driven platform helps students succeed!

Egy tranzisztoron a következő feszültségeket mértük: UBE0 = 566 mV és UCB0 = 9,12 V. Mekkora UCE0 értéke?

View this question

Egy tranzisztoron a következő feszültségeket mértük: UC0 = 8,48 V és UE0 = 3,56 V. Mekkora UCE0 értéke?

View this question

Egy tranzisztor kollektorárama erősítőüzemben: IC0 = 16,88 mA, áramerősítési tényezője: B = 81 Mekkora IB0 értéke?

View this question

Milyen jelenséget írunk le a következőképpen:

A kollektoráram

növekedése megnöveli a disszipációs teljesítményt, ami a

félvezető hőmérsékletének növekedéséhez vezet. A folyamat

pozitív visszacsatolásként

működve tönkreteszi az alkatrészt.

0%
0%
0%
0%
0%
0%
View this question

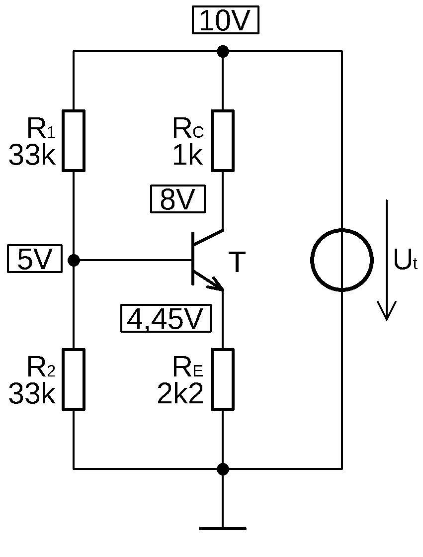
Mit láthatunk az alábbi ábrán?

0%
0%
0%
View this question

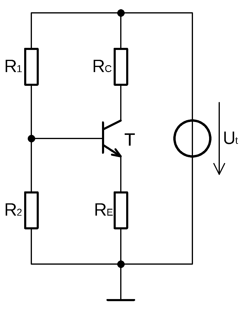
Az alábbi áramkörben hogyan jelölné az RE ellenálláson eső feszültséget?

0%
0%
0%
0%
0%
0%
0%
View this question

Az alábbi áramkörben hogyan jelölné az R2 ellenálláson eső feszültséget?

0%
0%
0%
0%
0%
0%
0%
View this question

Milyen jelenséget írunk le a következőképpen:

A kollektoráram

növekedése megnöveli a disszipációs teljesítményt, ami a

félvezető hőmérsékletének növekedéséhez vezet. A folyamat

pozitív visszacsatolásként

működve tönkreteszi az alkatrészt.

0%
0%
0%
0%
0%
0%
View this question

Milyen jelenséget írunk le a következőképpen:

A kollektoráram

növekedése megnöveli a disszipációs teljesítményt, ami a

félvezető hőmérsékletének növekedéséhez vezet. A folyamat

pozitív visszacsatolásként

működve tönkreteszi az alkatrészt.

0%
0%
0%
0%
0%
View this question

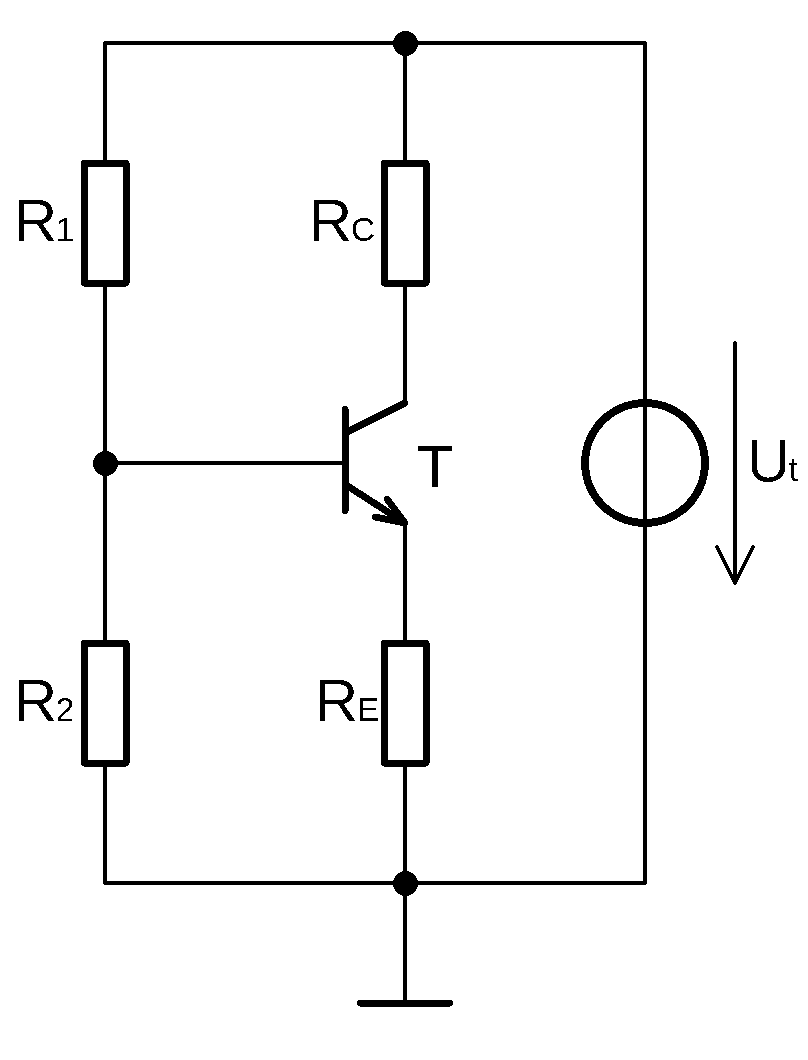
Az alábbi áramkörben hogyan jelölné az RE ellenálláson eső feszültséget?

0%
0%
0%
0%
0%
0%
0%
View this question

Want instant access to all verified answers on moodle.jrobi.hu?

Get Unlimited Answers To Exam Questions - Install Crowdly Extension Now!

Browser

Add to Chrome