logo

Crowdly

Browser

Add to Chrome

Analóg áramkörök (11.B_ELT)

Looking for Analóg áramkörök (11.B_ELT) test answers and solutions? Browse our comprehensive collection of verified answers for Analóg áramkörök (11.B_ELT) at moodle.jrobi.hu.

Get instant access to accurate answers and detailed explanations for your course questions. Our community-driven platform helps students succeed!

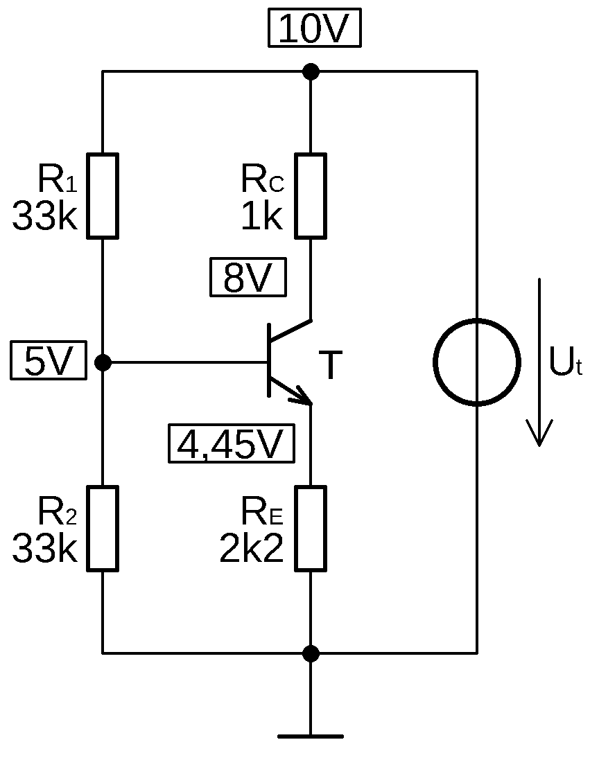
Az alábbi áramkörben hogyan jelölné az R2 ellenálláson eső feszültséget?

0%
0%
0%
0%
0%
0%
0%
View this question

Válassz ki, hogy az alábbiak közül melyik a helyes DC helyettesítőkép egy PNP bipoláris tranzisztor esetén?

0%
0%
0%
0%
View this question

Milyen jelenséget írunk le a következőképpen:

A kollektoráram

növekedése megnöveli a disszipációs teljesítményt, ami a

félvezető hőmérsékletének növekedéséhez vezet. A folyamat

pozitív visszacsatolásként

működve tönkreteszi az alkatrészt.

0%
0%
0%
0%
0%
0%
View this question

Válassz ki, hogy az alábbiak közül melyik a helyes DC helyettesítőkép egy NPN bipoláris tranzisztor esetén?

0%
0%
0%
View this question

Egy földelt emitteres alapkapcsolásban bázisosztós munkapont beállítás esetén mi a legfontosabb szerepe az emitterköri ellenállásnak (RE)?

0%
0%
0%
0%
0%
0%
View this question

Milyen munkapont beállító áramkör(öke)t ismer földelt emitteres alapkapcsolásban?

0%
0%
0%
0%
0%
0%
View this question

Ahhoz, hogy a bipoláris tranzisztor erősítőüzembe kerüljön a feltételt a CE átmenetre adjuk meg.

67%
33%
View this question

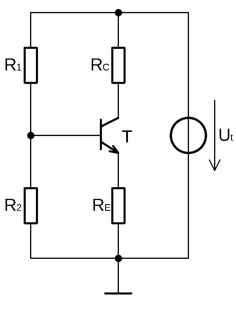
Mit láthatunk az alábbi ábrán?

0%
0%
0%
View this question

Mit jelent az UCE0 jellemző esetén a 0 az indexben?

View this question

Hogyan feszítené elő a tranzisztor átmeneteit az erősítőüzem biztosításához?

0%
0%
0%
View this question

Want instant access to all verified answers on moodle.jrobi.hu?

Get Unlimited Answers To Exam Questions - Install Crowdly Extension Now!

Browser

Add to Chrome