logo

Crowdly

Browser

Add to Chrome

Теоретичні основи роботи технологічного обладнання в галузі (ДІТ-ПОТ24, ПОХ24, Ш24)

Looking for Теоретичні основи роботи технологічного обладнання в галузі (ДІТ-ПОТ24, ПОХ24, Ш24) test answers and solutions? Browse our comprehensive collection of verified answers for Теоретичні основи роботи технологічного обладнання в галузі (ДІТ-ПОТ24, ПОХ24, Ш24) at moodle.karazin.ua.

Get instant access to accurate answers and detailed explanations for your course questions. Our community-driven platform helps students succeed!

Довжина стриженя 1 м, величина зазору 1 мм, стрижень в перерізі має вид квадрата зі стороною 1 см. Модуль пружності матеріалу 200Н/мм². Яку силу (Н) треба прикласти, щоб стрижень торкнувся поверхні?

View this question

Для кривошипно-повзунного механізму напишіть через кому, однією відповіддю номер вектора, що відображає швидкість точки А, номер точки, що відображає швидкість точки В. (Вигляд відповіді 7,6)

View this question

На малюнках наведені покази електролічильників до і після виконання операції на технологічному обладнанні. Визначити вартість витраченої електроенергії, якщо одна кіловат-година коштує 170 коп. Відповідь навести в копійках.

View this question

Струмінь води підіймається вертикально на 2,5 м. Зайти тиск при виліті струменя. Густина води 1000кг/м³, прискорення вільного падіння прийняти 10м/с². Відповідь записати в кілоПаскалях

View this question

Вкажіть правильне означення різьби 

0%
0%
0%
0%
0%
0%
0%
0%
View this question

Обрати всі з'єднання трифазної системи струму, що забезпечують напругу 220 В

0%
0%
0%
100%
0%
0%
View this question

Знайти передаточне відношення редуктора

Число зубців  z1=16, z2=64, z3=18, z4=108

View this question

Довжина стриженя 1 м, величина зазору 1 мм, стрижень в перерізі має вид квадрата зі стороною 1 см. Модуль пружності матеріалу 200Н/мм². Яку силу (Н) треба прикласти, щоб стрижень торкнувся поверхні?

View this question

Знайти реакцію Rьютони)

a=4 м, b=5 м, F=16Н

View this question

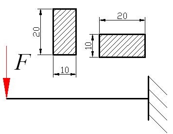
У скільки разів міцність першого перерізу більше за другий?

View this question

Want instant access to all verified answers on moodle.karazin.ua?

Get Unlimited Answers To Exam Questions - Install Crowdly Extension Now!

Browser

Add to Chrome