logo

Crowdly

Browser

Add to Chrome

Нарисна геометрія, інженерна та комп'ютерна графіка [З-14]В

Looking for Нарисна геометрія, інженерна та комп'ютерна графіка [З-14]В test answers and solutions? Browse our comprehensive collection of verified answers for Нарисна геометрія, інженерна та комп'ютерна графіка [З-14]В at moodle.kntu.kr.ua.

Get instant access to accurate answers and detailed explanations for your course questions. Our community-driven platform helps students succeed!

Яка різниця існує між ескізом і кресленням деталі?

0%
100%
0%
0%
View this question

Де на кресленнях деталей з різьбою розміщують умовне позначення різьби?

0%
0%
0%
View this question

Чому дорівнює хід різьби для багатозаходової різьби?

View this question

Які розміри називають спряженими?

View this question

У якому стані зображають пружини на кресленні?

View this question

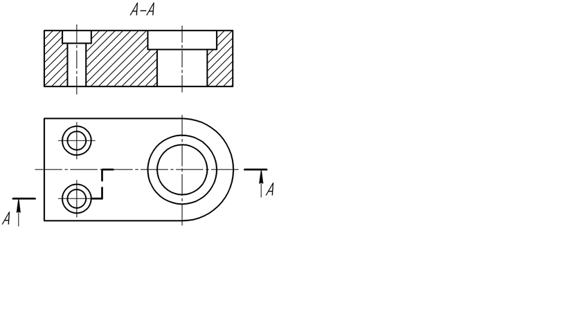
Як називається цей розріз і якими площинами його виконано?

View this question

Що називається виносним елементом?

0%
0%
0%
0%
View this question

У яких випадках допускається повторювати розміри однакових елементів виробу?

View this question

Чи допустимо на зображенні предмета поєднання частини вигляду з частиною розрізу?

View this question

Які деталі використовують при з’єднанні труб?

0%
0%
0%
View this question

Want instant access to all verified answers on moodle.kntu.kr.ua?

Get Unlimited Answers To Exam Questions - Install Crowdly Extension Now!

Browser

Add to Chrome