Looking for T170B202 Elektronika test answers and solutions? Browse our comprehensive collection of verified answers for T170B202 Elektronika at moodle.ktu.edu.
Get instant access to accurate answers and detailed explanations for your course questions. Our community-driven platform helps students succeed!
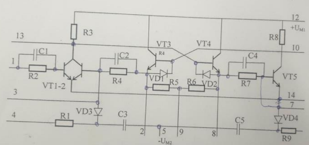
Kokio IE/IK parodyta struktūra?
Kuri yra rekomenduojama s toraplėvio rezistoriaus konstrukcija?
Storaplėvės HIM integracijos laipsnis yra...
Storaplėvėse hibridinėse integralinėse mikroschemose (HIM) plėvelės storis siekia 10-25 u
Ar tiesa, kad fliusas sudaro ~1/3 dielektrinėje pastoje?
Ar didelio talpumo kondensatoriams gaminti pastų kokybė yra...?
Ar tiesa, kad pasta sudaryta iš vienodą lyginamąjį svorį turinčių grūdelių, sunkesnieji nenusėda ir pasta išlieka vienalytė?
Kokie IE ar IK yra žalios spalvos?
Papildoma informacija:
Papildomas klausimas: Kaip vadinamas paveiksle pavaizduotas figūrų išdėstymas?