logo

Crowdly

Browser

Add to Chrome

T190B014 Grandinių teorija 1

Looking for T190B014 Grandinių teorija 1 test answers and solutions? Browse our comprehensive collection of verified answers for T190B014 Grandinių teorija 1 at moodle.ktu.edu.

Get instant access to accurate answers and detailed explanations for your course questions. Our community-driven platform helps students succeed!

Pasirinkite tinkamus šiai sąlygai teiginius

View this question
Nortono varža grandinei:
0%
0%
0%
0%
View this question
Teveneno varža grandinei:
0%
0%
0%
View this question
Nortono ekvivalentinė srovė - tai atvirojo jungimo grnadinės įtampa tarp dviejų grandinės taškų.
0%
0%
View this question
Teveneno ekvivalentinė įtampa - tai trumpojo jungimo grandinės įtampa tarp išvadų.
0%
0%
View this question

Padėkite surasti elementų sroves

View this question

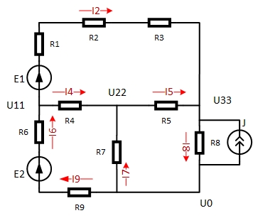
Padėkite surasti reikiamas sroves pateiktai grandinei

View this question

Realaus srovės šaltinio išėjimo srovė (srovė per apkrovą), prijungus labai didelės varžos apkrovą, palyginus su labai mažos srovės apkrova:

0%
0%
0%
0%
View this question

Realaus įtampos šaltinio išėjimo įtampa, prijungtus apkrovos varžą, lygią jo vidinei varžai:

View this question
Sprendžiant uždavinį kontūrinių srovių metodu gauname mažesnę lygčių sistemą negu kad spresdami mazginių įtampų metodu.
View this question

Want instant access to all verified answers on moodle.ktu.edu?

Get Unlimited Answers To Exam Questions - Install Crowdly Extension Now!

Browser

Add to Chrome