logo

Crowdly

Browser

Add to Chrome

Digital Systems (DSY)

Looking for Digital Systems (DSY) test answers and solutions? Browse our comprehensive collection of verified answers for Digital Systems (DSY) at moodle.lnmiit.ac.in.

Get instant access to accurate answers and detailed explanations for your course questions. Our community-driven platform helps students succeed!

0%
100%
0%
0%
View this question

0%
100%
0%
0%
View this question

0%
100%
0%
0%
View this question

100%
0%
0%
0%
View this question

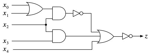
The given network is :

I.    Valid gate network

II.   Z=             

III.  Invalid gate network 

IV.  There are 3 levels in the network.

Logic diagram

0%
100%
0%
0%
View this question

Consider the following statements:

I.    A minimal SOP expression contains all possible Prime Implicants (PIs).

II.    Essential Prime Implicant (EPI) is Prime Implicant (PI) whose rectangle (i.e., group) contains cells that are not covered by any other PI.

III.    All the possible Essential Prime Implicants (EPIs) are included in a minimal SOP expression.

View this question

 For a module with inputs x1 and x0 and output z, you have performed following set of measures (in volt):

What type of gate does the circuit implement for a positive logic:

0%
0%
100%
0%
View this question

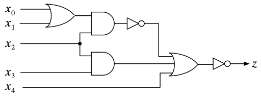
The given network is :

I.    Valid gate network

II.   Z=             

III.  Invalid gate network 

IV.  There are 3 levels in the network.

Logic diagram

0%
0%
0%
100%
View this question

Given the following statements (assume enable is high):

I.    In an encoder, at max. only one output can be high.

II.    A 2k-input decoder designed using k-input decoders using tree decoder network, uses decoder modules.

III.    A 2k-input decoder designed using k-input decoders using coincidence decoder network, uses number of 2-input AND gates.

IV.    In a decoder, at max only one input can be high.

Which of the above statements are true?

0%
0%
100%
0%
View this question

The given network is :

I.    Valid gate network

II.   Z=             

III.  Invalid gate network 

IV.  There are 3 levels in the network.

Logic diagram

0%
0%
100%
0%
View this question

Want instant access to all verified answers on moodle.lnmiit.ac.in?

Get Unlimited Answers To Exam Questions - Install Crowdly Extension Now!

Browser

Add to Chrome