logo

Crowdly

Browser

Add to Chrome

CC - P1 - Promo 2029

Looking for CC - P1 - Promo 2029 test answers and solutions? Browse our comprehensive collection of verified answers for CC - P1 - Promo 2029 at moodle.myefrei.fr.

Get instant access to accurate answers and detailed explanations for your course questions. Our community-driven platform helps students succeed!

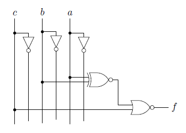
Quelle est la fonction réalisée par ce circuit ?

0%
0%
0%
0%
0%
0%
View this question

Laquelle de ces équations est équivalente à ?

0%
0%
0%
0%
View this question

Laquelle de ces équations est équivalente à ?

0%
0%
0%
0%
0%
0%
View this question

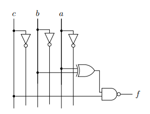
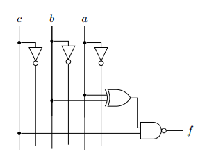
Quelle est la fonction réalisée par ce circuit ?

0%
0%
0%
0%
0%
View this question

What is the value of the variable count at the end of execution of the following sequence of instructions ?

count <- 0

For i <- 2 to 5 Do

For j <- 1 to 2 Do

If i % j = 0 Then

count <- count + 1

End If

End For

End For

View this question

What is the value of variable i once you exit the loop?

i <- 1

While i < 12 Do

Write(i)

i <- i + 1

End While

View this question

In the following sequence of instructions, how many times is the string "hello" displayed?

For i <- 1 to 10 [2] Do

Write("hello\NL")

End For

0%
0%
0%
View this question

Which conditions allow the write instruction to be executed?

Do

Read(val)

While (val < 0 OR val >= 10)

Write(val)

View this question

What is the display produced by the following sequence of instructions, assuming the user has entered the values 50, 25, 40, 45, 42 in order?

n <- 42

Do

Read(val)

If val < n Then

Write("More ")

Else

If val > n Then

Write("Less ")

End If

End If

While val != n

Write("Bravo!")

View this question

Consider the following sequence of instructions. Assume that the user has typed the values 0, 2, 4, 30, 12, 18, 24 in order. What is the last value read?

i <- 1

val <- 0

Do

Read(val)

i <- i + 6

While (val % 6 != 0)

0%
0%
0%
0%
View this question

Want instant access to all verified answers on moodle.myefrei.fr?

Get Unlimited Answers To Exam Questions - Install Crowdly Extension Now!

Browser

Add to Chrome