logo

Crowdly

Browser

Add to Chrome

CC - P1 - Promo 2029

Looking for CC - P1 - Promo 2029 test answers and solutions? Browse our comprehensive collection of verified answers for CC - P1 - Promo 2029 at moodle.myefrei.fr.

Get instant access to accurate answers and detailed explanations for your course questions. Our community-driven platform helps students succeed!

Consider the following instructions. Among the following statements, which one is true?

int * ptr = (int *) malloc(sizeof(int));

*ptr = 21;

View this question

We want to dynamically allocate space for a string of length n. Among the following statements, which one allows to achieve this?

0%
0%
0%
0%
View this question

What is the output of the following program?

#include<stdio.h>

int main() {

int i = 0, j = 0;

char str[10] = "abcdef";

char str2[10];

while (str[i] != '\0') {

i++;

}

str2[i] = '\0';

while (i >= 0) {

str2[--i] = str[j++];

}

printf("%s\n", str2);

return 0;

}

View this question

After executing the following instructions, what are the values of the variables str1 and str2 ?

char str1[100] = "abcd";

char str2[100] = "efgh!";

char * p1 = str1;

char * p2 = str2;

while (*p2 != '\0') p2++;

while (*p1 != '\0') *(p2++) = *(p1++);

*p2 = '\0';

View this question

What is the value of ?

View this question

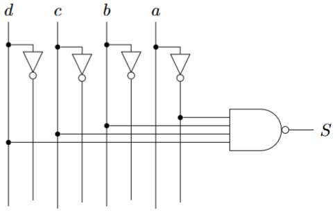
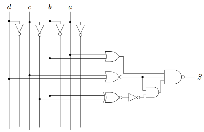
Soit le circuit suivant :

Donner l'équation de ce circuit.

0%
0%
0%
0%
View this question

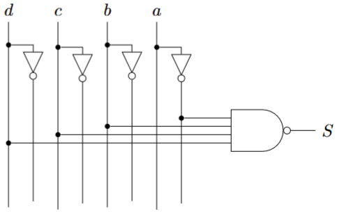
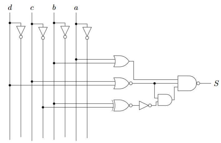
Soit le circuit suivant :

Quel circuit est équivalent à ce circuit ?

0%
0%
0%
0%
View this question

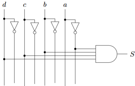
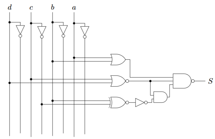
Soit le circuit suivant :

Quel circuit est équivalent à ce circuit ?

0%
0%
0%
View this question

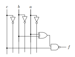
Soit le circuit suivant :

Donner l'équation de ce circuit.

0%
0%
0%
View this question

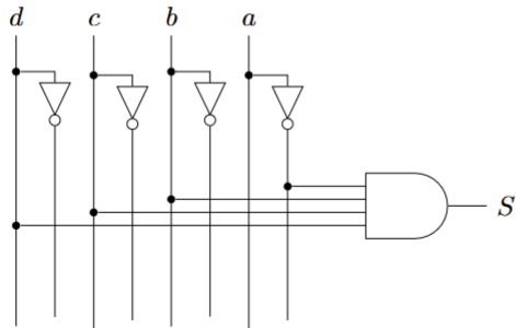
Quelle est la fonction réalisée par ce circuit ?

0%
0%
0%
0%
0%
0%
View this question

Want instant access to all verified answers on moodle.myefrei.fr?

Get Unlimited Answers To Exam Questions - Install Crowdly Extension Now!

Browser

Add to Chrome