logo

Crowdly

Browser

Add to Chrome

CC - P1 - Promo 2029

Looking for CC - P1 - Promo 2029 test answers and solutions? Browse our comprehensive collection of verified answers for CC - P1 - Promo 2029 at moodle.myefrei.fr.

Get instant access to accurate answers and detailed explanations for your course questions. Our community-driven platform helps students succeed!

The function can be simplified to :

Caution! Several answers possible! Any incorrect answer to this question will result in a penalty!
0%
0%
0%
0%
View this question

Which of these equations is equivalent to ?

0%
0%
0%
0%
0%
0%
View this question

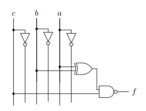
What is the function realized by this circuit?

0%
0%
0%
0%
0%
0%
View this question
Give the result in hexadecimal of CD + EF.

Warning! Any incorrect answer to this question will result in a penalty!
View this question

The function is written as :

0%
0%
0%
0%
View this question

Soit la fonction définie par

View this question

Soit

0%
0%
View this question

0%
0%
0%
View this question

Soit les fonctions et définie par et .

0%
0%
0%
View this question

Soit la suite définie par et

View this question

Want instant access to all verified answers on moodle.myefrei.fr?

Get Unlimited Answers To Exam Questions - Install Crowdly Extension Now!

Browser

Add to Chrome