logo

Crowdly

Browser

Add to Chrome

CC - P2 - Promo 2028

Looking for CC - P2 - Promo 2028 test answers and solutions? Browse our comprehensive collection of verified answers for CC - P2 - Promo 2028 at moodle.myefrei.fr.

Get instant access to accurate answers and detailed explanations for your course questions. Our community-driven platform helps students succeed!

Which of the following relationships respect the 3NF?

1. Species_Observations(Observation_ID, location, Date_YY_MM_DD)

2. Habitats(Region_ID, Species_ID, Observation, Location)

3. Conservation_Efforts(Effort_ID, Species_ID, Effort_Name, Species_Name, Organization, Budget)

4. Protected_Areas(Area_ID, Area_Name, Country, Country_Region, Species_Protected)

View this question

Indicate which sentence corresponds to the Entity-Association diagram above.

View this question

Which of the following SQL queries is correct for inserting a new record into the Products table with the columns Product_ID, Product_Name and Price?

View this question

descriptionIndicate which sentence corresponds to the Entity-Association diagram above.

View this question

Check the relation(s) that are not in 1NF.

1. Machines(ID_Machine, Machine_Name, Type, Manufacturer)

Example: Machines(1, 'CNC Lathe', 'Machining', 'Haas')

2. Products(ID_Product, Product_Name, Category, Unit_Price)

Example: Products('P001', 'Ball Bearing', 'Components', 50)

3. Stocks(Warehouse_ID, Warehouse_Name, Available_Products)

Example: Stocks('E001', 'Warehouse A', 'Ball Bearing, Stainless Steel Screws')

4. Orders(Order_ID, Date, Ordered_Products, Quantities)

Example: Orders('C001', '2025-02-01', 'Ball Bearing, Stainless Steel Screws', '10, 50')

Be careful errors will be penalized.

View this question

Assuming that the field "supplierAddress" is non-decomposable.

ARTICLE1 (idArticle, articleName, supplierName, supplierAddress)

ARTICLE2 (articleName, supplierName, supplierAddress)

Indicate which of these statements is true:

View this question

Cette question permet de tester l'affichage en langage mathématique d'un vecteur : .

Vous devriez voir cela .

Si vous voyez, essayez avec un autre navigateur.

100%
0%
0%
View this question

Code à observer

0%
100%
View this question

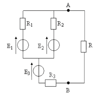
La résistance vaut:

0%
0%
0%
View this question

Si vous avez constaté des problèmes lors de ce test, merci de nous en faire part pour essayer d'améliorer le service. Merci également de préciser votre configuration matérielle (type d'ordinateur, navigateur, ...). Vous pouvez aussi nous transmettre une capture d'écran sous forme d'image.

View this question

Want instant access to all verified answers on moodle.myefrei.fr?

Get Unlimited Answers To Exam Questions - Install Crowdly Extension Now!

Browser

Add to Chrome