logo

Crowdly

Browser

Add to Chrome

SAP - Autorevision test S2

Looking for SAP - Autorevision test S2 test answers and solutions? Browse our comprehensive collection of verified answers for SAP - Autorevision test S2 at moodle.myefrei.fr.

Get instant access to accurate answers and detailed explanations for your course questions. Our community-driven platform helps students succeed!

Un filtre coupe-bande du deuxième ordre a un facteur de qualité de 50. Qu'est-ce que cela implique pour la bande passante ?

0%
0%
0%
0%
View this question
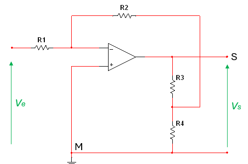
Description du circuit : Le circuit est alimenté par une tension d'entrée Ve, appliquée à une résistance R1, qui est reliée à l'entrée non inverseuse de l'AOP. Une autre résistance <math xmlns="http://www.w3.org/1998/Math/MathML"><semantics><annotation encoding="application/x-tex"></annotation></semantics></math>R2 est connectée entre la sortie de l'AOP et cette même entrée non inverseuse, formant une boucle de rétroaction qui détermine le gain de l’amplification. L’entrée inverseuse de l’AOP est reliée directement à la masse. La sortie de l’AOP, qui fournit une tension amplifiée Vs​, est connectée à <math xmlns="http://www.w3.org/1998/Math/MathML"><semantics><annotation encoding="application/x-tex"></annotation></semantics></math>R3 et <math xmlns="http://www.w3.org/1998/Math/MathML"><semantics><annotation encoding="application/x-tex"></annotation></semantics></math>R4. Ces résistances sont connectées en série : <math xmlns="http://www.w3.org/1998/Math/MathML"><semantics><annotation encoding="application/x-tex"></annotation></semantics></math>R3 est reliée à la sortie de l’AOP, tandis que R4 est reliée à la masse. Une connexion supplémentaire existe entre la résistance <math xmlns="http://www.w3.org/1998/Math/MathML"><semantics><annotation encoding="application/x-tex"></annotation></semantics></math>R2 et le point intermédiaire entre <math xmlns="http://www.w3.org/1998/Math/MathML"><semantics><annotation encoding="application/x-tex"></annotation></semantics></math>R3 et <math xmlns="http://www.w3.org/1998/Math/MathML"><semantics><annotation encoding="application/x-tex"></annotation></semantics></math>R4.

Question : Sachant que R1 = R3 = 10 k, R2 = 100 k et R4 = 1 k. Calculer l'impédance de sortie Zs :

Donner la valeur en k, sans l'unité.

View this question

Quelle est la pente d'atténuation au-delà de la fréquence de coupure pour un filtre passif passe-bas du deuxième ordre ?

0%
0%
0%
0%
View this question

Dans un filtre RLC passe-haut du second ordre, si R=20Ω, L=50mH et C=2μF, quel est le facteur de qualité Q ?

Donner la valeur avec 2 chiffres après la virgule

View this question
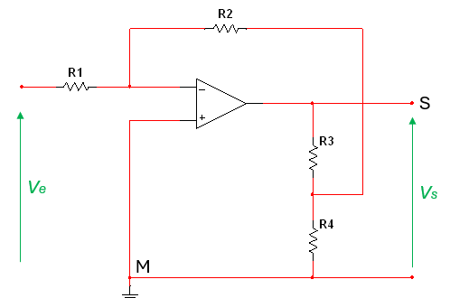
Description du circuit : Le circuit est alimenté par une tension d'entrée Ve, appliquée à une résistance R1, qui est reliée à l'entrée non inverseuse de l'AOP. Une autre résistance <math xmlns="http://www.w3.org/1998/Math/MathML"><semantics><annotation encoding="application/x-tex">R2</annotation></semantics></math>R2 est connectée entre la sortie de l'AOP et cette même entrée non inverseuse, formant une boucle de rétroaction qui détermine le gain de l’amplification. L’entrée inverseuse de l’AOP est reliée directement à la masse. La sortie de l’AOP, qui fournit une tension amplifiée Vs​, est connectée à <math xmlns="http://www.w3.org/1998/Math/MathML"><semantics><annotation encoding="application/x-tex">R3</annotation></semantics></math>R3 et <math xmlns="http://www.w3.org/1998/Math/MathML"><semantics><annotation encoding="application/x-tex">R4</annotation></semantics></math>R4. Ces résistances sont connectées en série : <math xmlns="http://www.w3.org/1998/Math/MathML"><semantics><annotation encoding="application/x-tex">R3</annotation></semantics></math>R3 est reliée à la sortie de l’AOP, tandis que R4 est reliée à la masse. Une connexion supplémentaire existe entre la résistance <math xmlns="http://www.w3.org/1998/Math/MathML"><semantics><annotation encoding="application/x-tex">R2</annotation></semantics></math>R2 et le point intermédiaire entre <math xmlns="http://www.w3.org/1998/Math/MathML"><semantics><annotation encoding="application/x-tex">R3</annotation></semantics></math>R3 et <math xmlns="http://www.w3.org/1998/Math/MathML"><semantics><annotation encoding="application/x-tex">R4</annotation></semantics></math>R4.

Question : Sachant que R1 = R3 = 10 k, R2 = 100 ket R4 = 1 k. Calculez l'amplification de tension du circuit Av :

View this question

Un filtre passif coupe-bande du deuxième ordre est conçu pour :

0%
0%
0%
0%
View this question

Le gain en dB aux très basses fréquences d'un filtre passif passe-haut de second ordre est :

0%
0%
0%
0%
0%
View this question

Dans un amplificateur opérationnel idéal, la différence de tension entre les entrées inverseuse et non-inverseuse est :

0%
0%
0%
0%
View this question

Si l'on réduit la résistance d'un filtre passe-bande RLC, que se passe-t-il au niveau de la bande passante ?

0%
0%
0%
0%
0%
View this question

Un filtre coupe-bande avec R=150, L=150mH et C=1.5μF a un facteur de qualité Q=10. Quelle est sa largeur de bande ?

Donnez la valeur en Hz avec 2 chiffres après la virgule, sans l'unité.

View this question

Want instant access to all verified answers on moodle.myefrei.fr?

Get Unlimited Answers To Exam Questions - Install Crowdly Extension Now!

Browser

Add to Chrome