logo

Crowdly

Browser

Add to Chrome

SAP - Autorevision test S2

Looking for SAP - Autorevision test S2 test answers and solutions? Browse our comprehensive collection of verified answers for SAP - Autorevision test S2 at moodle.myefrei.fr.

Get instant access to accurate answers and detailed explanations for your course questions. Our community-driven platform helps students succeed!

In a second-order high-pass RLC filter, if R=20ΩL=50mH, and C=2μF, what is the quality factor Q?

Give the value with 2 decimal digits

View this question

La fonction de transfert d'un filtre passif passe-haut du deuxième ordre contient typiquement :

0%
0%
0%
0%
0%
View this question

Un filtre passe-bande du deuxième ordre a une fréquence centrale de 1,5 kHz et une largeur de bande de 300 Hz. Quel est son facteur de qualité Q ?

View this question

Rs est l'impédance de sortie et Re est l'impédance d'entrée. Relier la définition à la formule correspondante.

View this question
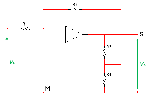
Description du circuit : Le circuit est alimenté par une tension d'entrée Ve, appliquée à une résistance R1, qui est reliée à l'entrée non inverseuse de l'AOP. Une autre résistance <math xmlns="http://www.w3.org/1998/Math/MathML"><semantics><annotation encoding="application/x-tex"></annotation></semantics></math>R2 est connectée entre la sortie de l'AOP et cette même entrée non inverseuse, formant une boucle de rétroaction qui détermine le gain de l’amplification. L’entrée inverseuse de l’AOP est reliée directement à la masse. La sortie de l’AOP, qui fournit une tension amplifiée Vs​, est connectée à <math xmlns="http://www.w3.org/1998/Math/MathML"><semantics><annotation encoding="application/x-tex"></annotation></semantics></math>R3 et <math xmlns="http://www.w3.org/1998/Math/MathML"><semantics><annotation encoding="application/x-tex"></annotation></semantics></math>R4. Ces résistances sont connectées en série : <math xmlns="http://www.w3.org/1998/Math/MathML"><semantics><annotation encoding="application/x-tex"></annotation></semantics></math>R3 est reliée à la sortie de l’AOP, tandis que R4 est reliée à la masse. Une connexion supplémentaire existe entre la résistance <math xmlns="http://www.w3.org/1998/Math/MathML"><semantics><annotation encoding="application/x-tex"></annotation></semantics></math>R2 et le point intermédiaire entre <math xmlns="http://www.w3.org/1998/Math/MathML"><semantics><annotation encoding="application/x-tex"></annotation></semantics></math>R3 et <math xmlns="http://www.w3.org/1998/Math/MathML"><semantics><annotation encoding="application/x-tex"></annotation></semantics></math>R4.

Question : Sachant que R1 = R3 = 10 k, R2 = 100 k et R4 = 1 k. Calculer l'impédance de sortie Zs :

Donner la valeur en k, sans l'unité.

View this question

La bande passante d'un filtre passe-bande du deuxième ordre est déterminée par :

0%
0%
0%
0%
0%
View this question

Un filtre coupe-bande du deuxième ordre avec f0=10 kHz et une bande passante =500 Hz a un facteur de qualité Q de :

View this question

Le facteur de qualité Q d'un filtre coupe-bande RLC du deuxième ordre détermine :

0%
0%
0%
0%
View this question

Un filtre passe-bas RLC du deuxième ordre a une résistance de 10 Ω, une inductance de 100 mH et une capacité de 1 µF. Quel est le facteur de qualité Q ?

View this question

Un filtre passe-haut RLC du deuxième ordre a une fréquence de résonance de 500 Hz et une bande passante de 100 Hz. Quel est son facteur de qualité Q ?

View this question

Want instant access to all verified answers on moodle.myefrei.fr?

Get Unlimited Answers To Exam Questions - Install Crowdly Extension Now!

Browser

Add to Chrome