logo

Crowdly

Browser

Add to Chrome

Elektrotechnisches Praktikum 2 (PR) [25ws-61.54655]

Looking for Elektrotechnisches Praktikum 2 (PR) [25ws-61.54655] test answers and solutions? Browse our comprehensive collection of verified answers for Elektrotechnisches Praktikum 2 (PR) [25ws-61.54655] at moodle.rwth-aachen.de.

Get instant access to accurate answers and detailed explanations for your course questions. Our community-driven platform helps students succeed!

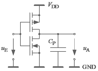
Ein CMOS-Inverter, dessen Ausgang mit der parasitären Kapazität  belastet ist, wird mit einer Eingangsspannung entsprechend folgender Abbildung angesteuert.

Welchen qualitativen Zeitverlauf hat der Drainstrom des n-Kanal-MOSFETs?

0%
0%
0%
View this question

Ein CMOS-Inverter mit der Speisespannung  ist mit der parasitären Kapazität  belastet. Was gilt für die Energie pro Schaltperiode der Dauer ? Hinweis: .

0%
100%
0%
View this question
Mit welcher Operationsverstärker-Schaltung kann aus einem Rechtecksignal ein Dreiecksignal gewonnen werden?
100%
0%
0%
View this question
Die folgende Schaltung wird mit einem idealen Operationsverstärker aufgebaut.

Wie sieht das Bode-Diagramm der Verstärkung  dieser Schaltung aus?

0%
0%
0%
View this question

Die folgende Schaltung wird mit einem idealen Operationsverstärker aufgebaut.

Welche Funktion wird mit dieser Schaltung realisiert?

0%
0%
0%
View this question

Die folgende Schaltung wird mit einem idealen Operationsverstärker aufgebaut. An den Eingang wird ein sinusförmiges Signal angelegt: .

Wie verändert sich das Ausgangssignal , wenn der Widerstand  vergrößert wird?

0%
0%
0%
View this question

Die folgende Schaltung wird mit einem idealen Operationsverstärker aufgebaut.

Welches der folgenden Diagramme beschreibt das Verhalten dieser Schaltung qualitativ richtig?

0%
0%
0%
View this question

Die folgende Schaltung wird mit einem idealen Operationsverstärker aufgebaut.

Welche komplexwertige Verstärkung wird mit dieser Schaltung realisiert?

0%
100%
0%
View this question

Mit welcher Kombination von Operationsverstärker-Schaltungen kann aus einem Sinussignal eine Impulsfolge entsprechend nachfolgender Abbildung generiert werden?

100%
0%
0%
View this question

Mit welcher Operationsverstärker-Schaltung kann aus einem Sinussignal ein Rechtecksignal gewonnen werden?

0%
100%
0%
View this question

Want instant access to all verified answers on moodle.rwth-aachen.de?

Get Unlimited Answers To Exam Questions - Install Crowdly Extension Now!

Browser

Add to Chrome