logo

Crowdly

Browser

Add to Chrome

IAX0043 Arvutid (2025 sügis)

Looking for IAX0043 Arvutid (2025 sügis) test answers and solutions? Browse our comprehensive collection of verified answers for IAX0043 Arvutid (2025 sügis) at moodle.taltech.ee.

Get instant access to accurate answers and detailed explanations for your course questions. Our community-driven platform helps students succeed!

Järgnev loogikaskeem  realiseerib  multipleksorit :

multipleksor

Et selline skeem töötaks multipleksorina, peavad puuduvate loogikaelementide kohtadel olema sellised loogikaelemendid :

View this question

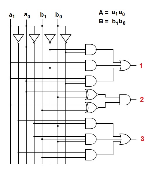
Järgnev skeem realiseerib  2-järguliste 2ndarvude  võrdlejat   (ehk komparaatorit) :

komparaator

Mida näitavad komparaatori väljundid   1    2    3     ?

View this question

Millised  dekooderid nendest kolmest  näitavad dekooderi  võimalikke väljundsignaale ?

3 dekooderit osad valede väljunditega

View this question

Kolmest järgnevast dekooderist   kaks näitavad õiget sisend-väljundsignaalide kombinatsiooni

ja

ühe  dekooderi  väljundsignaalid ei vasta sisendsignaalidele.

Millised kaks  dekooderit  (nendest kolmest)  töötavad õigesti ?

dekooderid

0%
0%
0%
View this question

Kolmest järgnevast dekooderist   kaks näitavad ebaõiget sisend-väljundsignaalide kombinatsiooni

ja

üks  dekooder on õigete signaalidega.

Milline kolmest  dekooderist  töötab õigesti ?

3 dekooderit

0%
0%
0%
View this question

See loogikaskeem realiseerib  dekooderit :

dekooder

Siin skeemis sisaldub  kahte tüüpi loogikaelemente :

View this question

Missugune loogikaventiil on joonisel?

cmos-gate

0%
0%
0%
0%
0%
0%
0%
0%
View this question

Milline on tehte XNOR tõeväärtustabel ?

tehete toevaartustabelid

0%
0%
0%
100%
0%
View this question

Milline on tehte AND tõeväärtustabel ?

tehete toevaartustabelid

100%
0%
0%
0%
0%
View this question

Loogikaelementide tingmärgid ja nende nimed:

loogikaelementide tingmärgid

View this question

Want instant access to all verified answers on moodle.taltech.ee?

Get Unlimited Answers To Exam Questions - Install Crowdly Extension Now!

Browser

Add to Chrome