logo

Crowdly

Browser

Add to Chrome

IAX0043 Arvutid (2025 sügis)

Looking for IAX0043 Arvutid (2025 sügis) test answers and solutions? Browse our comprehensive collection of verified answers for IAX0043 Arvutid (2025 sügis) at moodle.taltech.ee.

Get instant access to accurate answers and detailed explanations for your course questions. Our community-driven platform helps students succeed!

Millise loogikaskeemiga nendest kuuest skeemist  saab realiseerida loogikatehet  XOR ?

6 loogikaskeemi

vali õige :

0%
0%
0%
0%
0%
View this question

Järgnev loogikaskeem  realiseerib  multipleksorit :

multipleksor

Et selline skeem töötaks multipleksorina, peavad puuduvate loogikaelementide kohtadel olema sellised loogikaelemendid :

View this question

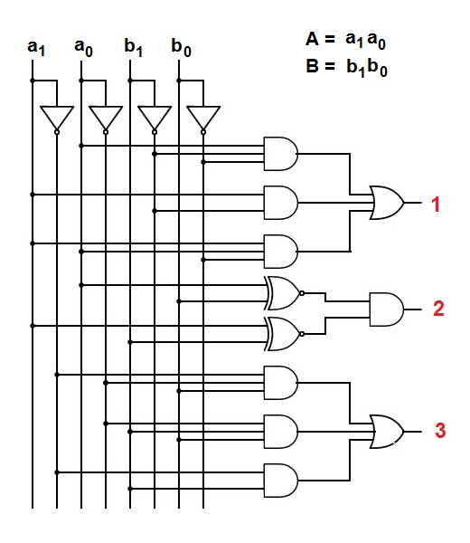
Järgnev skeem realiseerib  2-järguliste 2ndarvude  võrdlejat   (ehk komparaatorit) :

komparaator

Mida näitavad komparaatori väljundid   1    2    3     ?

View this question

Milline on tehte  XOR  tõeväärtustabel ?

tehete toevaartustabelid

0%
0%
0%
0%
View this question

Milline  tingmärk  tähistab  loogikaelementi  XOR ?

loogikaelementide tingmärgid

0%
0%
0%
0%
0%
0%
View this question

Milline  tingmärk  esitab loogikaelementi  XOR  ?

6 loogikaelemendi tingmärki

0%
0%
0%
0%
0%
View this question

Millise loogikaskeemiga nendest kuuest skeemist  saab realiseerida loogikatehet  XOR ?

6 loogikaskeemi

vali õige :

0%
0%
0%
0%
0%
View this question

Järgnev loogikaskeem  realiseerib  multipleksorit :

multipleksor

Et selline skeem töötaks multipleksorina, peavad puuduvate loogikaelementide kohtadel olema sellised loogikaelemendid :

View this question

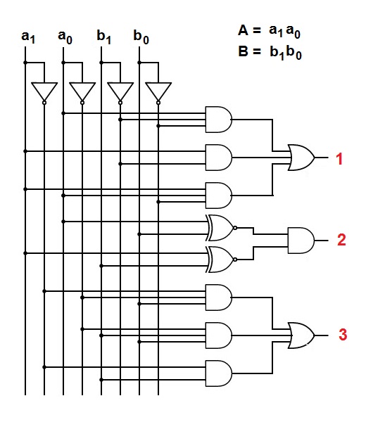
Järgnev skeem realiseerib  2-järguliste 2ndarvude  võrdlejat   (ehk komparaatorit) :

komparaator

Mida näitavad komparaatori väljundid   1    2    3     ?

View this question

Millised  dekooderid nendest kolmest  näitavad dekooderi  võimalikke väljundsignaale ?

3 dekooderit osad valede väljunditega

View this question

Want instant access to all verified answers on moodle.taltech.ee?

Get Unlimited Answers To Exam Questions - Install Crowdly Extension Now!

Browser

Add to Chrome