logo

Crowdly

Browser

Add to Chrome

MEA3 : Mise à Niveau Electrocinétique

Looking for MEA3 : Mise à Niveau Electrocinétique test answers and solutions? Browse our comprehensive collection of verified answers for MEA3 : Mise à Niveau Electrocinétique at moodle.umontpellier.fr.

Get instant access to accurate answers and detailed explanations for your course questions. Our community-driven platform helps students succeed!

0%
0%
0%
View this question

Calculer la valeur de la tension u entre les points A et D avec u= 5 USI, u2 = 2 USI et u3 = -6 USI (préciser l'unité) :

View this question

On considère un fil cylindrique en or placé entre les points A et B d'un circuit. Son diamètre est 2 mm, sa longueur 10 cm et sa résistivité 22.10-9 USI.

Calculer sa résistance entre les points A et B.

View this question

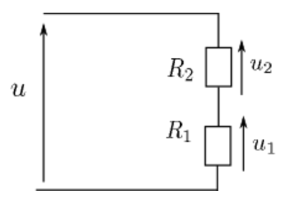
Les résistances et sont en série ?

100%
0%
View this question

Si la tension aux bornes d'un dipôle est nulle, alors nécessairement l'intensité traversant le dipôle est nulle aussi.

 

0%
100%
View this question

Isolants et conducteurs

0%
0%
0%
0%
0%
View this question

La tension aux bornes d'un interrupteur ouvert est toujours nulle :

0%
100%
View this question

La batterie d'un téléphone portable indique une tension 3.6 V et une capacité 2100 mA.h.

Cette batterie étant complètement déchargée, quelle quantité d'énergie faut-il lui fournir pour la recharger entièrement ?

View this question

Le courant électrique

0%
0%
0%
View this question

6.1020 électrons passent de B vers A en 1 minute à travers un dipôle. Quelle est l'intensité du courant circulant de A vers B (préciser l'unité) ?

View this question

Want instant access to all verified answers on moodle.umontpellier.fr?

Get Unlimited Answers To Exam Questions - Install Crowdly Extension Now!

Browser

Add to Chrome