logo

Crowdly

Browser

Add to Chrome

KEAFB01U - ELECTRICITE 1

Looking for KEAFB01U - ELECTRICITE 1 test answers and solutions? Browse our comprehensive collection of verified answers for KEAFB01U - ELECTRICITE 1 at moodle.univ-tlse3.fr.

Get instant access to accurate answers and detailed explanations for your course questions. Our community-driven platform helps students succeed!

On

souhaite étudier l’établissement du courant dans une bobine alimentée par une

source de tension idéale

E. On donne E = 10 V, R = 5  et L = 10 mH.

Calculer

la valeur

en mJ

de l’énergie stockée dans la bobine pendant sa charge

complète.

View this question

On

souhaite charger le même condensateur de 2 manières différentes en utilisant des sources idéales de

tension et courant (figures ci-dessous). Le condensateur est initialement

déchargé dans les 2 cas.

Choisir la bonne réponse

parmi les 3 propositions suivantes.

100%
0%
0%
View this question

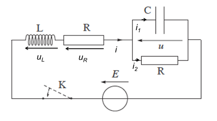
On considère le circuit de la figure ci-dessous. L’équation différentielle donnant la variation de la tension u(t) est de la forme :

où  et K sont des constantes.

Parmi les réponses proposées ci-dessous, cocher celle qui correspond à la constante K.

0%
100%
0%
0%
View this question

Sur la figure ci-dessous, on étudie la charge complète du condensateur.

On donne : E = 10 V et R = 10 Ω (les 2 résistances sont identiques).

Donner la valeur de la tension u en régime permanent (condensateur complètement chargé).

View this question

On étudie le circuit suivant :

Calculer la valeur du courant en Ampères. Vous donnerez le résultat avec trois chiffres significatifs.

Données :

  • = 7,3 Ω
  • = 5,9 Ω
  • = 9,5 Ω
  • = 6,4 V
  • = 1,7 V
  • = 4,2 A

View this question

Soit le circuit ci-dessus. Choisir la(les) proposition(s) correcte(s).

100%
0%
100%
0%
100%
0%
View this question

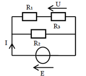
Dans le circuit suivant, On donne : I = 4,4 A, R1 = 7,5 Ω, R2 = 8,6 Ω et R3= 8,0 Ω.

Calculer la valeur de I2 en Ampères. La valeur sera donnée avec 3 chiffres significatifs.

View this question

Sur le circuit suivant, on donne : E = 5 V, R1 = 1 Ω, R2 = 3 Ω et R3= 4 Ω.

Calculer la tension U (en volts) aux bornes de R3. La réponse sera donnée avec 3 chiffres significatifs.

View this question

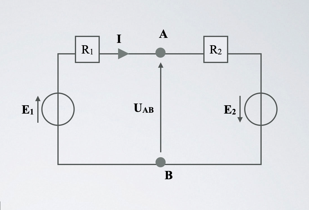
Sur la figure ci-dessous, les 2 générateurs de tension

sont identiques (E = 2,9 V, r = 2,2 Ω) et R = 4,3 Ω.

Calculer la tension U (en Volts) aux bornes de la résistance R. Donner la réponse avec deux chiffres significatifs.

View this question

Résistance R parcourue par un courant I de A vers B.

Cocher la(les) proposition(s) correcte(s)

100%
100%
100%
100%
0%
100%
View this question

Want instant access to all verified answers on moodle.univ-tlse3.fr?

Get Unlimited Answers To Exam Questions - Install Crowdly Extension Now!

Browser

Add to Chrome